您现在的位置: 首页 >> 答疑变更 >> 安徽公共资源交易集团项目管理有限公司 >> 工程

项目编号:

项目名称:

一、原公告主要信息

     原项目名称: 新站高新区综合水质净化工程施工

     原项目编号: 2025BFFGZ01774

     原公告日期: 2025年08月04日

二、公告内容(更正事项、内容及日期等)

    

新站高新区综合水质净化工程施工

招标文件补疑2

(项目编号:2025BFFGZ01774)

一、招标文件的相关疑问

1.招标文件73页:评标委员会根据投标人承接的市政给排水类工程施工项目,自2020年1月1日以来(以颁奖文件颁发日期或官网文件发布时间为准)获得省级及以上优质工程奖项情况进行综合评价。

1)问:我司一污水厂项目获得“某年度河北省优秀市政公用建设工程奖项,该奖项由河北省市政行业协会认证颁发,该奖项是否予以认可?

回复:“河北省优秀市政公用建设工程”奖符合要求。同时须按招标文件要求提供相关证明材料,则该奖项予以认可。

2)问:我司承建某片区辅助配套服务区市政道路、综合管网及给排水工程项目,该项目获得省级及以上优质工程奖项,该奖项是否予以认可?

回复:若提供的业绩为某片区辅助配套服务区的市政道路(工程内容包含有综合管网及给排水工程施工内容)的项目,该奖项不予认可。

2.详细评审标准关于投标人奖项荣誉要求“评标委员会根据投标人承接的市政给排水类工程施工项目,自2020年1月1日以来(以颁奖文件颁发日期或官网文件发布时间为准)获得省级及以上优质工程奖项情况进行综合评价”,

1)问:我单位提供市政排水类工程奖项为中国市政工程建设协会颁发的市政工程最高质量水平评价工程”奖项是否符合?。

回复:“市政工程最高质量水平评价工程”奖符合要求。同时须按招标文件要求提供相关证明材料,则该奖项予以认可。

2)问:我单位提供2020年1月1日以来由直辖市(比如上海市、北京市、天津市)建筑业协会颁发的市政给排水类工程施工项目优质工程获奖是否满足要求?

回复:投标人未明确具体奖项名称,无法判定。具体由评标委员会根据投标人提供的材料进行综合认定。

3.招标文件2页:投标人业绩要求:自2020年1月1日以来(以竣工验收时间为准),投标人在中华人民共和国境内(不含港澳台)具备单个合同中处理规模不低于5万吨/日的污水处理厂工程施工业绩。

问:我司一污水厂项目污水处理厂土建规模5.0万m³/d,设备、人工湿地规模2.5万/d,该业绩是否予以认可?

回复:不予认可。投标人提供的投标人业绩中污水处理厂的土建规模和设备规模均不低于5万吨/日。

4.招标文件3.1.3投标人业绩要求:自2020年1月1日以来(以竣工验收时间为准),投标人在中华人民共和国境内(不含港澳台)具备单个合同中处理规模不低于5万吨/日的污水处理厂工程施工业绩。问:我司提供业主证明,证明该业绩规模不低于5万吨/日,是否予以认可?

回复:不予认可。

5.本项目暖通设备中的新风机组、轴流风机的参考品牌为陕鼓集团、浙江上风高科、浙江亿利达。而本项目的暖通工程的工程量清单中对于暖通风机根据其使用的功能不同又有很多不同的名称,例如:轴流风机、消防通风双速离心风机、消防高温离心风机、低噪声离心风机箱、低噪声柜式离心风机、管道离心风机等等不同的名称。上述根据其使用功能不同而采用了不同名称的风机都属于暖通风机,都是为本项目的整个暖通系统做统一性支撑服务。

请明确暖通工程量清单中的上述不同名称的暖通风机,是否都属于参考品牌中“新风机组、轴流风机”的范畴。如果是,我们将按照参考品牌的档次核算投标成本,此外参考品牌是否写成“新风机组、暖通风机”更为准确,以免抠字眼产生歧义,造成各投标人成本核算的标准不一样。如果工程量清单中的风机名称为低噪声柜式离心风机、消防通风双速离心风机、消防高温离心风机等没有明确的新风机组或轴流风机字眼的以上暖通风机不属于“新风机组、轴流风机”的范畴,我们将选用其他品牌档次低一些的来核算投标成本。请问暖通系统里面的风机,是否都需要按照参考品牌来做要求,请予以明确为感。

回复:暖通系统的风机均须按照招标文件P149“参考品牌表”要求执行。

6.本项目招标文件第149页参考品牌表第16项潜水离心泵、潜水轴流泵参考品牌为飞力(FLYGT)、格兰富(GRUNDFOS)、凯士比(KSB)、苏尔寿(Sulzer)。近年合肥市排水办、合肥水投公司、合肥市各县区招标的污水厂、泵站类项目中,潜水泵、潜水搅拌器的参考品牌中很少见到苏尔寿,而威乐品牌基本都在。而且本项目参考品牌表第40项一体化提升泵站的参考品牌中也有威乐,也没有苏尔寿。

在巢湖岗岭污水厂一期项目中,苏尔寿的潜水搅拌器在刚投入运行不到三个月,全厂几十台潜水搅拌器发生损坏,给生产运营造成严重影响。自此后巢湖市及合肥招标的污水厂、泵站等污水项目参考品牌中,很少再有苏尔寿品牌。而威乐品牌在合肥很多厂多有使用,使用多年一直运行良好,从来没有出现过刚投入运行就大面积严重损坏的情况。对于曾经在合肥污水厂刚投入使用就出现大量损坏问题的品牌,此次却又再次纳入参考品牌,希望招标人能予以核实并慎重考虑参考品牌的严肃性、重要性、公平性,避免更新后的设备再次频发故障从而影响后续运营稳定。而且巢湖市往年招标的污水项目中,威乐一直位列参考品牌中,而且在巢湖流域污水厂有很多成功运行案例,威乐品牌多次请求业主加入推荐品牌名单中却未正式进入品牌库,这次却把苏尔寿单独加入品牌名单,这有失公平,特请求能将威乐品牌加入参考品牌中,体现招标人的公平性和根据以往项目各个品牌实际运行的真实情况来决定参考品牌,而不是凭借客户关系把运行并不好的品牌强行加入参考品牌中,给我们在巢湖流域污水厂有很多成功案例并且一直运行良好的品牌公平公正参与竞争的机会。

回复:按招标文件P149“参考品牌表”要求执行。

7.招标文件3.1.7(4)如组成联合体投标,须提供联合体协议书明确土建施工、设备供货安装任务分工,非联合体牵头人不得承担本次土建施工任务,根据发布的控制价如下:

是否可以理解为土建施工为第2、3、4项,控制价为596074283.20元,合同工程量占比为69.25%,设备供货安装任务为第1、5项,控制价为264673863.6元,合同工程量占比为30.75%。

回复:按最新发布的(2025.8.11版本)工程量清单及最高投标限价文件执行。其中“净水厂”中“基坑支护工程、土石方工程、一体化箱体、内部所有构筑物及出入口(土建)、管理用房(土建)、1#门卫(土建)、2#门卫(土建)、地磅(土建)、液氧站(土建)、除臭塔(土建)、厂区室外道路工程、厂区室外绿化工程、厂区雨污水工程、标识标牌”及“配套管网部分”属于土建施工;“净水厂”中“管理用房(安装)、门卫(安装)、臭氧发生间(安装)、室外景观电、自控系统、工艺工程、暖通工程、电气工程”属于设备供货安装。

8.招标文件要求联合体协议书明确土建施工、设备供货安装任务分工,请问土建施工是否为控制价分项中的土建部分、厂区室外附属部分、配套管网部分?设备供货安装是否为控制价分项中的工艺部分和电气及暖通部分?

回复:按最新发布的(2025.8.11版本)工程量清单及最高投标限价文件执行。其中“净水厂”中“基坑支护工程、土石方工程、一体化箱体、内部所有构筑物及出入口(土建)、管理用房(土建)、1#门卫(土建)、2#门卫(土建)、地磅(土建)、液氧站(土建)、除臭塔(土建)、厂区室外道路工程、厂区室外绿化工程、厂区雨污水工程、标识标牌”及“配套管网部分”属于土建施工;“净水厂”中“管理用房(安装)、门卫(安装)、臭氧发生间(安装)、室外景观电、自控系统、工艺工程、暖通工程、电气工程”属于设备供货安装。

9.招标文件中明确要求:“如组成联合体投标,须提供联合体协议书明确土建施工、设备供货安装任务分工,非联合体牵头人不得承担本次土建施工任务。”

为准确理解贵方要求,合理规划联合体组成并精准分配任务职责,确保完全响应招标要求,特请求贵方对以下疑问进行澄清明确。具体疑问及请求如下:

1)本工程是否分只为土建施工、设备供货安装两项任务。

回复:是。

2)请求贵单位对“土建施工任务”的具体范围进行澄清明确,并提供“土建施工任务”具体所涵盖的工作内容范围和对应的单位工程(或分部分项工程)清单。

回复:按最新发布的(2025.8.11版本)工程量清单及最高投标限价文件执行。其中“净水厂”中“基坑支护工程、土石方工程、一体化箱体、内部所有构筑物及出入口(土建)、管理用房(土建)、1#门卫(土建)、2#门卫(土建)、地磅(土建)、液氧站(土建)、除臭塔(土建)、厂区室外道路工程、厂区室外绿化工程、厂区雨污水工程、标识标牌”及“配套管网部分”属于土建施工;“净水厂”中“管理用房(安装)、门卫(安装)、臭氧发生间(安装)、室外景观电、自控系统、工艺工程、暖通工程、电气工程”属于设备供货安装。

3)联合体协议书中承担的工程范围是否只填写土建施工、设备供货安装任务还是要填写对应的具体单位工程清单。

回复:联合体协议书中承担的工程范围填写形式为“承担土建施工任务”或“承担设备供货安装任务”。

10.联合体投标的,投标人名称是否填写牵头人即可?

回复:除联合体协议书外,投标文件中的投标人名称填写联合体牵头方即可。

11.联合体协议书是否可以使用电子印章及电子签名章?

回复:联合体协议书可以使用电子印章及电子签名章。

12.联合体投标的,法定代表人身份证明、授权委托书、诚信投标承诺书及自拟承诺书是否牵头人提供即可?

回复:联合体投标的,法定代表人身份证明、授权委托书、诚信投标承诺书及自拟承诺书由联合体牵头人提供即可。

13.关于技术文件格式的疑问:

招标文件中P73页要求:(2)字体图片要求:字体:宋体;标题:三号;其他为四号;图表图片大小由投标人自行决定;

请问图表图片大小指的是图表图片中字体、行距大小,还是单纯的指图表图片自身大小?

回复:“图表图片大小”指的是图表图片自身大小。

14.关于技术文件上传界面内容的疑问:

招标文件中P70-73页要求商务文件评审因素有:投标人业绩、项目经理业绩、投标人业绩匹配度、项目经理业绩匹配度、投标人奖项荣誉、企业实力。要求技术文件评审因素有:工程重点难点及危大工程的保障体系、确保工期与质量的保障体系与措施、确保安全文明生产的管理体系与措施、确保人、材、机的保障体系与措施、技术能力。

但投标人技术文件上传界面显示了除技术文件评审因素外、包括商务文件评审因素(投标人业绩等)的对应节点,请问上传技术文件是否需要编制招标文件要求的商务文件评审因素。

 

回复:针对商务文件评审因素内容,请投标人上传至“投标文件(商务文件)”节点中。在新点制作投标文件软件中“投标文件(商务文件)”已经上传相关资料的,不需要在施工组织设计节点中重复上传。

15.招标文件P2页3.1.3投标人业绩要求:自2020年1月1日以来(以竣工验收时间为准),投标人在中华人民共和国境内(不含港澳台)具备单个合同中处理规模不低于5万吨/日的污水处理厂工程施工业绩。

1)上述资格审查业绩是否由联合体任何一方提供都可以?请明确。

回复:资格审查业绩由联合体任何一方提供均可。

2)单个合同中处理规模不低于5万吨/日的污水处理厂工程施工业绩是否包括污水处理厂提标改造?请明确。

回复:“单个合同中处理规模不低于5万吨/日的污水处理厂工程施工”是指新建、扩建规模不低于5万吨/日的污水处理厂工程施工;仅包含污水处理厂提标改造工程、污水处理厂尾水深度处理的再生水工程和处理雨水的再生水厂工程中的一项或多项的不予认可。

16.招标文件P30页(2)公共资源交易监督管理部门(或公共资源交易平台)官方网站发布的招标公告和中标公告的截图及网址、中标通知书,或住房和城乡建设主管部门网站公布的施工许可证办理查询截图。无法提供以上截图的或官网查询不到的,应当提供公共资源交易监督管理部门或公共资源交易中心或住房和城乡建设主管部门的证明材料。

1)投标人提供了公共资源交易监督管理部门(或公共资源交易平台)官方网站发布中标公告的截图及网址,是否还需要提供中标通知书?如需提供,中标通知书有无具体要求?请明确。

回复:需提供中标通知书。招标文件“公共资源交易监督管理部门(或公共资源交易平台)官方网站发布的招标公告和中标公告的截图及网址、中标通知书”是指:“公共资源交易监督管理部门(或公共资源交易平台)官方网站发布的招标公告和中标公告的截图及网址和中标通知书”。

若提供中标通知书,无具体格式要求,但是投标人应按照招标文件要求提供相关业绩证明材料,并且投标人提供的业绩证明材料须能完整或充分反映评审因素。

2)现在许多公共资源交易中心更换系统,许多以前的项目信息被移出,建议增加政府采购网、住建局、招投标监管网等政府网站查询作为项目业绩查询方式。可否?请明确。

回复:“政府采购网、住建局、招投标监管网站发布的招标公告和中标公告的截图及网址”可以认为是“公共资源交易监督管理部门(或公共资源交易平台)官方网站发布的招标公告和中标公告的截图及网址”。

3)住房和城乡建设主管部门的证明材料提供施工许可证是否认可?请明确。

回复:“经住房和城乡建设主管部门盖章的施工许可证”可以作为“住房和城乡建设主管部门证明材料”。

17.招标文件P73页注:1.建议编制要求如下:

1)页面排版要求:纸张:A4;行距:固定值22磅;页边距:上2.5厘米,其余均为2.0厘米;

2)字体图片要求:字体:宋体;标题:三号;其他为四号;图表图片大

小由投标人自行决定;

3)编制篇幅:施工组织设计的篇幅不超过50页(不含封面、目录)。

4)投标结合工程实际特点及需要,国家及地方现有工法规范已有的内容

无需重复编制。

提疑:该建议编制要求是仅针对技术标还是针对所有投标文件?请明确。

回复:该建议编制要求是仅针对招标文件第三章2.2.1(2)“技术文件详细评审标准”中的内容。

18.招标文件P73,施工组织设计的篇幅不超过50页(不含封面、目录)

 

1)对应软件版投标文件制作时,是否仅针对投标文件(技术文件)下“施工组织设计”节点页数不超过50页(不含封面、目录),“新材料、新工艺、新技术应用(如有)”、“其他内容”、“技术文件其他资料”节点内可以不上传或上传空白页,若为空白页不占页数要求。

回复:针对建议编制要求仅针对招标文件第三章2.2.1(2)“技术文件详细评审标准”中的内容。针对软件版投标文件制作工作中的“投标文件(技术文件)-新材料、新工艺、新技术应用(如有)”和“投标文件(技术文件)-其他内容”,若是没有相关材料,这两个地方的节点内可以上传空白页或填写“具体内容详见商务文件。

2)“施工组织设计”节点,软件版里对于正文内容提到了“投标人业绩,项目经理业绩,投标人业绩匹配度,项目经理业绩匹配度,投标人奖项荣誉,企业实力,工程重点难点及危大工程的保障体系,确保工期与质量的保障体系与措施,确保安全文明生产的管理体系与措施,确保人、材、机的保障体系与措施,技术能力”。但“投标人业绩,项目经理业绩,投标人业绩匹配度,项目经理业绩匹配度,投标人奖项荣誉,企业实力”部分应在投标文件(商务文件)上传,施工组织设计要求页数不超过50页(不含封面、目录),重复上传后方案内容偏少,请问此节点是否只上传招标文件要求的技术文件评审要求“工程重点难点及危大工程的保障体系,确保工期与质量的保障体系与措施,确保安全文明生产的管理体系与措施,确保人、材、机的保障体系与措施,技术能力”相关内容。

回复:针对商务文件评审因素内容,请投标人上传至“投标文件(商务文件)”节点中。在新点制作投标文件软件中“投标文件(商务文件)”已经上传相关资料的,不需要在施工组织设计节点中重复上传。

19.招标文件94页中“(3)试运行期内的管理服务:包括污泥等无害化运输处置等;”请问招标文件是否要求承包人承担试运行期内的污泥外运费和处置费?

回复:承包人须承担试运行期内的污泥外运费和处置费,此项费用包含在投标总价中,请投标人谨慎合理报价,中标后不予调整。

20.招标文件中需提供项目经理和技术负责人,请问是否可以由联合体任意一方提供即可?

回复:项目经理和技术负责人由联合体任意一方提供均可。

21.关于项目经理业绩,如果合同协议书、公共资源交易监督管理部门(或公共资源交易平台)官方网站发布的招标公告和中标公告的截图及网址、中标通知书、住房和城乡建设主管部门网站公布的施工许可证办理查询截图、竣工验收证明文件,均不体现污水处理厂规模。请问:我单位提供住房和城乡建设主管部门的证明材料来证明污水处理厂规模,是否认可?

回复:如该项目的建设单位或招标人或业主不是住房和城乡建设主管部门的,提供住房和城乡建设主管部门的证明材料,则予以认可。

22.贵公司2025年6月24日招标的巢湖流域污水处理设施更新改造(一期)工程EPC项目,对于潜水泵、潜水搅拌器设备的要求为“为确保产品质量,中标人采购的产品须为原产地原厂家生产的产品,不得贴牌,不接受第三方代工产品。品种、规格、型号、性能、档次、技术参数等必须满足招标文件要求并得到招标人书面确认后方可使用,同时招标人有权到该生产厂家生产线实地考察该批次产品的生产情况和产品质量,并取样封存,生产厂家需提供产品的生产证明及相关合格证明等资料,中标人须配合招标人的此项工作。”

请问此次招标的新站高新区综合水质净化工程施工项目,是否可以使用贴牌或第三方代工的潜水泵和潜水搅拌器设备来更好的控制成本

回复:本项目不接受贴牌或第三方代工的潜水泵和潜水搅拌器设备,具体按招标文件P231“2)为确保产品质量……”要求执行。

23.臭氧制备系统的推荐品牌为:奥宗尼亚、欧意艾、威得高。其中“威得高”的准确品牌名称为:威德高,英文名称:Wedeco,原招标文件中“威得高”应为笔误,建议更正为“威德高”。

回复:臭氧制备系统的参考品牌中的“威得高”以英文名称“Wedeco”为准。

24.招标文件附录3资格审查条件(业绩最低要求)第二类中“(1)合同协议书。(2)公共资源交易监督管理部门(或公共资源交易平台)官方网站发布的招标公告和中标公告的截图及网址、中标通知书,或住房和城乡建设主管部门网站公布的施工许可证办理查询截图。无法提供以上截图的或官网查询不到的,应当提供公共资源交易监督管理部门或公共资源交易中心或住房和城乡建设主管部门的证明材料。(3)竣工验收证明文件(至少有建设单位、设计单位、监理单位、施工单位四方参与竣工验收并盖单位章)。”若业绩证明材料中标通知书、合同协议书及竣工验收证明文件未体现污水处理厂处理规模不低于5万吨/日,提供建设单位盖公章的证明文件体现污水处理厂处理规模不低于5万吨/日,请问该业绩是否予以认可?

回复:不予认可。

25.请问投标文件内是否提供“投标人免缴投标保证金信用承诺函”即可?无需提供“(一)投标保函示范文本”?

回复:投标人按招标文件第八章“投标人免缴投标保证金信用承诺函”格式进行承诺,即可免缴投标保证金。

26.投标制作软件内“投标函”需要填写标段,请问是否填写“/”即可?

回复:填写“/”即可。

27.“评标委员会根据投标人承接的市政给排水类工程施工项目,自2020年1月1日以来(以颁奖文件颁发日期或官网文件发布时间为准)获得省级及以上优质工程奖项情况进行综合评价”中,请问市政工程施工项目提供中标通知书或合同协议书或竣工验收报告体现包含给排水施工内容,该市政工程施工项目获省级优质工程奖项的是否予以认可?

回复:不予认可。

28.招标文件中投标人业绩要求提供公共资源交易监督管理部门(或公共资源交易平台)官方网站发布的招标公告和中标公告的截图及网址、中标通知书,或住房和城乡建设主管部门网站公布的施工许可证办理查询截图。

请问投标人提供公共资源交易监督管理部门(或公共资源交易平台)官方网站发布的招标公告和中标候选人公告的截图及网址、中标通知书的是否认可。

回复:请投标人按照招标文件要求提供相关业绩证明材料。招标文件约定应提供的是“(2)公共资源交易监督管理部门(或公共资源交易平台)官方网站发布的招标公告和中标公告的截图及网址、中标通知书,或住房和城乡建设主管部门网站公布的施工许可证办理查询截图。无法提供以上截图的或官网查询不到的,应当提供公共资源交易监督管理部门或公共资源交易中心或住房和城乡建设主管部门的证明材料。”投标人提供中标候选人公告的截图及网址不符合招标文件要求。

29.招标文件中投标人业绩中说明“无法提供以上截图的或官网查询不到的,应当提供公共资源交易监督管理部门或公共资源交易中心或住房和城乡建设主管部门的证明材料。”请问证明材料中是否只需体现项目评审因素即可?

回复:“无法提供以上截图的或官网查询不到的,应当提供公共资源交易监督管理部门或公共资源交易中心或住房和城乡建设主管部门的证明材料。”是指:投标人无法提供招标文件所要求的“公共资源交易监督管理部门(或公共资源交易平台)官方网站发布的招标公告和中标公告的截图及网址、中标通知书,或住房和城乡建设主管部门网站公布的施工许可证办理查询截图。”的情况下,应当提供“公共资源交易监督管理部门或公共资源交易中心或住房和城乡建设主管部门的证明材料”。

30.招标文件第150页中参考品牌表中关于内进流孔板式细格栅除污机推荐品牌为艾维(IVY)、百莱凯(OVIVO)琥珀(HUBERSE)。

经调查OVIVO为英国水务公司,旗下负责生产内进流孔板式细格栅除污机的子品牌为BRACKETTGREEN®。BRACKETTGREEN®在国内通常音译为佰莱凯或百莱凯,但是OVIVO或者BRACKETTGREEN®并没有将中文的“佰莱凯”或“百莱凯”注册为隶属于OVIVO商标或者品牌,准确的说“佰莱凯”或“百莱凯”商标被与OVIVO没有任何关系的公司注册。

现在市场上出现了一些并不属于英国OVIVO公司的BRACKETTGREEN®品牌但挂着“佰莱凯”或“百莱凯”品牌的产品销售,但实际“佰莱凯”或“百莱凯”与OVIVO并没有任何关系。

为保持推荐品牌同一档次,请明确此次招标的百莱凯(OVIVO)是否应改为英国BRACKETTGREEN®(OVIVO),即必须是由英国OVIVO公司(BRACKETTGREEN®品牌)制造的产品?

回复:内进流孔板式细格栅除污机的参考品牌中“百莱凯”以英文名称“OVIVO”为准。

31.《招标文件》P226(十八)招标人参考的材料品牌响应表中要求序号37工艺类中沼气/硫化氢报警器设备品牌为:德尔格、科尔康、理研。招标文件中气体仪表除了沼气/硫化氢气体外,还有余臭氧、臭氧、氧气、氯气、臭气浓度(OU值)、氨气、温湿度、便携式有毒有害气体仪表等。就该部分气体仪表是否也参照设备品牌德尔格、科尔康、理研?

回复:根据招标文件P226“参考品牌表”要求,工艺类设备中仪器仪表(除电磁流量计、沼气/硫化器报警器外、进水在线站房内仪器除外)的参照品牌为“E+H、哈希、WTW、西门子”。

32.请问本项目投标函中的质量标准及报价软件中的质量承诺能否填写“合格,确保“庐州杯”、争创“黄山杯”及“安徽省建筑安全生产标准化工地”?

回复:本次招标项目质量标准为“合格”,第八章投标文件格式-投标文件(商务文件)-一、投标函中的质量标准,填写“合格”即可。

33.问题:招标文件P225页第七章5.材料与设备要求(2)参考品牌中对主要设备有参考品牌要求:23.高效沉淀池成套系统、混凝沉淀池成套系统推荐品牌为帕萨旺(Sulzer)、苏伊士(SUEZ)、威立雅(Veolia);而招标文件技术规范书P156页,有业绩等限制性条款;

1)帕萨旺(Sulzer)英文名称错误,请更正为帕萨旺(PASSAVANT);

回复:应为“帕萨旺(PASSAVANT)”。

2)高效沉淀池投标时如果选择推荐品牌中的品牌产品,其中13)高效沉淀池的工艺系统供货商需具有15年以上在中国国内类似业绩高效沉淀池供货及服务的经验(以提供的合同复印件或用户证明为准),以及高效沉淀池至少2个规模10m³/d及以上中国国内城市污水处理厂成功运行5年以上的供货业绩条款是否可以不作为限制性条款?

回复:按招标文件P149“参考品牌表”要求执行。技术规范书P156页应为“13)高效沉淀池的工艺系统供货商需具有15年以上在中国国内类似业绩高效沉淀池供货及服务的经验(以提供的合同复印件或用户证明为准),以及高效沉淀池至少2个规模5/d及以上中国国内城市污水处理厂成功运行5年以上的供货业绩”。

34.招标文件P30页,要求提供“(2)公共资源交易监督管理部门(或公共资源交易平台)官方网站发布的招标公告和中标公告的截图及网址、中标通知书,或住房和城乡建设主管部门网站公布的施工许可证办理查询截图。无法提供以上截图的或官网查询不到的,应当提供公共资源交易监督管理部门或公共资源交易中心或住房和城乡建设主管部门的证明材料。(3)竣工验收证明文件(至少有建设单位、设计单位、监理单位、施工单位四方参与竣工验收并盖单位章)”。

疑问:(1)我司提供的业绩为上海市的业绩(时间和污水处理规模均符合招标文件要求),因上海的中标公告只显示三天,现已无法查询到中标公告链接和截图。且住房和城乡建设主管部门网站公布的施工许可证为业主单位办理,此查询截图也只有业主单位可以提供,请问可否直接提供施工许可证扫描件?

回复:若投标人无法提供公共资源交易监督管理部门(或公共资源交易平台)官方网站发布的招标公告和中标公告的截图及网址和中标通知书的,可以提供“住房和城乡建设主管部门网站公布的施工许可证办理查询截图”。若是无法提供以上截图的或官网查询不到的,应当提供公共资源交易监督管理部门或公共资源交易中心或住房和城乡建设主管部门的证明材料。

“经住房和城乡建设主管部门盖章的施工许可证”可以作为“住房和城乡建设主管部门证明材料”。

2)上海地区的竣工报告上只有业主盖章,但单位工程的验收报告上有建设单位、设计单位、监理单位、施工单位五方盖章。我司上海的业绩所提供的资料是否符合招标文件关于投标人业绩要求,请给与明示。

回复:不予认可,请投标人按招标文件要求提供业绩证明材料。

35.招标文件P8页要求的节点工期如下:2025年度完成工作量不低于招标范围实施内容的10%;2026年6月底前完成工作量不低于招标范围实施内容的40%;12月底前完成工作量不低于招标范围实施内容的80%,请问能否将完成工程量招标范围实施内容的百分比具体明确到完成的主要单位、分部、分项工程或施工项目、施工工序上?

 

回复:投标人可在中标后,自行编制施工组织设计和计划产值报招标人审核,满足招标文件“计划工期”要求即可。

36.招标文件第一章招标公告2.8计划工期:730日历天(24个月),请问投标文件中投标函是否填730日历天?请明示。

回复:投标文件中投标函填写730日历天即可。

37.招标文件P261页投标保证金,若我司采用“投标人免缴投标保证金信用承诺函”,投标文件中是否可以删除“(一)投标保函示范文本”?请明示。

回复:若投标人采用“投标人免缴投标保证金信用承诺函”方式,投标文件中可以删除“(一)投标保函示范文本”内容。

38.如为联合体投标,请问投标文件格式“二、法定代表人身份证明”、“授权委托书”是否联合体牵头人提供即可,仅牵头人盖章?

回复:联合体投标的,投标文件格式“二、法定代表人身份证明”、“授权委托书”由联合体牵头人提供并由联合体牵头人盖章即可。

39.招标文件第3条投标人资格要求中3.1.7(4)条本招标项目接受联合体投标,如组成联合体投标,须提供联合体协议书明确土建施工、设备供货安装任务分工,非联合体牵头人不得承担本次土建施工任务。请问土建施工任务是单指厂区内的土建施工任务,还是包含场外管网工程土建施工任务?

回复:土建施工任务包含场外管网工程。土建施工具体涵盖的工作内容范围详见本补疑一、招标文件的相关疑问中得第7条回复内容。

40.如为联合体投标,请问投标文件格式“八、诚信投标承诺书”、“十、投标人承诺”是否仅牵头方承诺和盖章即可?请明示。

回复:联合体投标的,投标文件格式“八、诚信投标承诺书”、“十、投标人承诺”由联合体牵头人提供并由联合体牵头人盖章即可。

41.招标文件中详细评审“企业实力”,请问是联合体任意一方提供均可吗?请明示。

回复:招标文件中详细评审“企业实力”由联合体任意一方提供均可。

42.招标文件P62页要求:“评标委员会仅通过“全国建筑市场监管公共服务平台(四库一平台)”(https://jzsc.mohurd.gov.cn)对拟推荐中标候选人的注册建造师专业、数量进行查询核对,并将查询截图及查询结果在评标报告中予以记录。”。请问:投标文件中是否无需将注册建造师专业、数量查询截图放至在投标文件中,由评标委员会自行查询即可?请明示。

回复:由评标委员会自行查询即可。

43.招标文件第150页中,除臭成套系统的推荐品牌。经调研发现,浙江大维的主营业务为国内电厂除尘项目,在市政地埋污水厂除臭项目方面缺乏充足的成功运行业绩,其在供货经验、技术实力及售后服务等方面与其他推荐品牌存在明显差距。因此,建议将“浙江大维”从除臭成套系统的推荐品牌中移除。

回复:按招标文件P149页“参考品牌表”要求执行。

二、工程量清单及最高投标限价的相关疑问

1.招标文件控制价清单:新站高新区综合水质净化工程-工艺工程第1582项,设备描述前后冲突,是否项目名称为反洗风机。

 

回复:截图中“离心式通风机”应为反洗风机。本次清单及控制价不调整,投标人应认真查看工程量清单控制价及图纸的全部内容,谨慎合理报价,中标后不予调整。

三、技术规范书的相关疑问

1.招标文件技术规范中,关于离心鼓风机制造商要求分别为15年和20年,请问具体以哪个时间为准。

2.2.29.1描述:制造商提供的离心鼓风机应采用技术先进的国际知名品牌,至少15年同类产品的制造生产经验(以提供营业执照为准)。规模10万吨/天以上且压升不低于本次招标要求的污水处理厂供货业绩不少于5个,所提供业绩中成功运行3年以上的供货业绩不少于3个。2.3.18.1描述:承包人提供该类型的设备应是国际知名品牌产品,应提供不少于20年的生产经验和业绩,具有至少5个不低于本合同设计能力的成功运行,并提供相应的用户证明材料。

回复:技术规范书中“2.3.18.1描述”中制造商年限应为15年。

2.在技术规范2.2.29.2中此次项目离心风机供货数量为10台在招标文件其他地方描述为6台,请问具体供货数量。2.2.29.2描述:流量(在1.013bar,20℃,70%相对湿度条件下)90m³/min(10台)(100%)

回复:技术规范书中“2.2.29.2描述”中离心风机供货数量应为6台。请投标人谨慎合理报价,中标后不予调整。

3.技术规范2.2.29.3鼓风机结构要求所有轴承寿命不低于10万小时,因为滚动轴承的寿命标准为50000小时,是否认定鼓风机低速轴承为滑动轴承。2.2.29.3描述:鼓风机低速轴承为耐磨型滚动轴承或滑动轴承。高速轴承为可倾瓦式滑动轴承。所有轴承寿命应不低于10万小时,所有轴承的润滑油由集成式润滑油系统提供。

回复:如采用单级离心鼓风机,则技术规范中“2.2.29.3鼓风机结构”要求所有轴承寿命不低于10万小时。

4.在技术规范2.2.29.3中明确了双导叶调节范围(进口导叶和出口扩压器组合使用应能在鼓风机的调节范围(从100%到45%)内),请问是否有必要再增加变频控制,还是上软启动也行。2.3.18.1承包人应提供1控1电气控制柜,共6台,采用变频控制。

回复:不采用软启动柜。请投标人谨慎合理报价,中标后不予调整。

5.在招标文件正本中21.17.1离心鼓风机的推荐品牌为:阿特拉斯、豪顿、凯撒、苏尔寿,在招标文件的技术规范书2.2.29.3鼓风机结构描述中明确要求为双导叶单级离心鼓风机,据我司查询了解。苏尔寿和凯撒是明确没有双导叶单级离心鼓风机的,阿特拉斯官网上有单级风机,但阿特拉斯只有进口导叶,没有出口导叶,在满足招标规范要求的双导叶调节的情况下,这个品牌推荐表中只有一家豪顿能满足招标要求,不符合招标投标法规定,建议业主单位核查市场情况,给出合适的推荐品牌名单。

21.17.1描述:离心鼓风机(阿特拉斯(Atlas)、豪顿(HOWDEN)、凯撒(KAESER)、苏尔寿(Sulzer))

2.2.29.3鼓风机结构描述:鼓风机可调进口导叶机构装于铸铁机壳的枢轴上,应使用长久润滑或易润滑的套筒轴承。每个导叶机构应配有一个4~20mADC信号控制的电动调节器,每个导叶控制器上应装有两个可调限位开关并能在压缩机控制柜上显示其开闭状态。

导叶的开闭位置可通过4~20mADC的信号传送并在就地控制柜上显示,还可通过刻度盘可调指针显示。

进出口导叶叶片材质采用AISI316不锈钢或更好。

可调出口扩压器来控制风量及在整个调节范围内取得较高的扩压效率,每个导叶机构应配有一个4~20mADC信号控制的电动调节器,每个导叶控制器应装有两个可调限位开关并能在鼓风机控制柜上显示其开闭状态。

导叶的开闭位置可通过4~20mADC的信号传送并在就地控制柜上显示,还可通过刻度盘可调指针显示。

进口导叶和出口扩压器组合使用应能在鼓风机的调节范围(从100%到45%)内,当其偏离设计工况(低温或低压)运行时达到尽可能高的效率,鼓风机应配有鼓风机制造厂的标准控制系统,进口导叶和出口扩压器的调节器可通过鼓风机控制柜上的开/关按钮,自动/手动选择器和指示灯进行操作,在自动运行状态下,调节器将根据来自位于鼓风机就地控制柜上程序控制器的4~20mADC信号按比例调节导叶位置,通过程序控制器调节进口导叶和出口扩压器可以使鼓风机在实际运行条件下满足系统流量要求的同时达到最高效率,在手动状态下,可手动调节导叶。

回复:单级离心鼓风机和磁悬浮离心鼓风机均可参与本次投标,但主要参数如风量、风压、材质须满足招标文件和使用功能要求。本次清单及控制价不调整,投标人应认真查看工程量清单控制价及图纸的全部内容,谨慎合理报价,中标后不予调整。

6.该项目的工艺设备2.2.29的单级离心鼓风机主要有两种型式,一种是传统的单级离心风机,还有一种是单级离心磁悬浮风机。这两种型式的风机均能满足本项目中工艺要求的风量和风压,均能在地下污水厂中使用。但是招标技术规范以及图纸具有限制性,均是传统单级离心风机的要求。以下四家推荐品牌中只有豪顿一家可以满足,具有唯一性,(其余三家只生产磁悬浮风机)。

 

因此能否允许推荐品牌中的其余三家磁悬浮品牌同时参与竞争,也就是对齿轮箱变速的传统单级离心风机以及单级离心磁悬浮风机这两种型式的风机进行招标,目前的招标技术规范以及图纸不做要求,待标后确定品牌以及型式后技术联络会时再提供。

回复:单级离心鼓风机和磁悬浮离心鼓风机均可参与本次投标,但主要参数如风量、风压、材质须满足招标文件和使用功能要求。本次清单及控制价不调整,投标人应认真查看工程量清单控制价及图纸的全部内容,谨慎合理报价,中标后不予调整。

7.单级离心鼓风机品牌唯一性问题:

招标文件推荐品牌序号22写的是“离心鼓风机”,推荐品牌:阿特拉斯(Atlas)、豪顿(HOWDEN)、凯撒(KAESER)、苏尔寿(Sulzer)。

 

以往贵单位的招标文件参考品牌写的都是“磁悬浮离心鼓风机”,推荐品牌:阿特拉斯(Atlas)、豪顿(HOWDEN)、凯撒(KAESER)、苏尔寿(Sulzer)。

请问本次招标为何将推荐品牌名单里面的设备名称从以往项目中的“磁悬浮离心鼓风机”改为“离心鼓风机”。技术规范书中又将离心鼓风机明确设计为“单级离心鼓风机”。如果投标人按照技术规范书的要求,则必须使用单级离心鼓风机,本次招标文件推荐品牌中的四个品牌,只有豪顿一家能满足要求,苏尔寿等品牌都不生产单级离心鼓风机,也提供不了技术规范书中的业绩资质等要求。

据了解合肥水务集团推荐品牌专家论证会论证的设备中,也从来没有论证过“单级离心鼓风机”这个设备。如果本项目要求必须是单级离心鼓风机,而单级离心鼓风机设备的品牌前期专家论证会又没有论证过,是否需要经过专家论证会论证才允许列出此设备的推荐品牌。建议召开专家论证会并增加江苏杰尔品牌,江苏杰尔完全可以满足技术规范书的资质业绩要求。

如果本项目在满足使用效果的前提下也允许使用磁悬浮鼓风机,建议将本项目序号22的设备名称由“离心鼓风机”改为“磁悬浮鼓风机”,这样就和前期专家论证会已经论证过的设备名称、品牌名称都保持一致了,和贵单位之前招标的项目也保持一致了。

回复:单级离心鼓风机和磁悬浮离心鼓风机均可参与本次投标,但主要参数如风量、风压、材质须满足招标文件和使用功能要求。本次清单及控制价不调整,投标人应认真查看工程量清单控制价及图纸的全部内容,谨慎合理报价,中标后不予调整。

8.(1)进泥螺杆泵

技术规范P373页,进泥螺杆泵,流量:0~60m³/h、扬程:30m。需符合污泥螺杆泵技术规定。

技术规范P253页,进泥螺杆泵,流量:0~75/h、扬程:30m。材质要求与污泥螺杆泵技术规定不一致,请明确进泥螺杆泵的流量及材质?

 

 

回复:技术规范书P253页中,16-02M-01~05进泥螺杆泵的流量为0~60m³/h,材质要求按2.2.33进泥螺杆泵要求执行。

9.(2)污泥切割机

技术规范P374页,污泥切割机,流量:0~60/h。技术规范P252,污泥切割机流量要求不低于75/h,请明确污泥切割机的流量?

 

 

回复:技术规范书P252页中,16-01M-01~05污泥切割机的流量为0~60m³/h。

10.《新站高新区综合水质净化工程设备系统招标技术文件》中“2、机械设备,2.2通用设备与闸门类设备一般技术规定,2.2.27除氟吸附系统,2.2.27.1供货范围:系统集成商具备十年以上设备供货及安装经验(以营业执照注册时间为准),具有环保工程专业承包壹级及建筑机电安装工程专业承包贰级资质,具备本地化服务能力。系统集成商应具有国内除氟工艺包供货及安装业绩:近5年内除氟系统,工艺包供货及安装业绩不少于3个,提供合同关键页证明材料。除氟树脂单元供货商(制造商)应具有良好信誉,并在国内有使用业绩。业绩要求:供货商(制造商)近5年内的工业废水树脂吸附供货业绩不少于2个,提交合同的相关部分的关键页证明材料、供货商(制造商)授权文件。技术先进可靠,提供国务院或国家部委批准设立的权威机构技术成果鉴定报告”有以下疑问:

1)此处系统集成商需要具备十年以上设备供货及安装经验(以营业执照注册时间为准)。深度除氟树脂技术成熟并落地应用近几年才得以实现。对于专业工艺包供应商具备十年以上设备供货及安装经验不符合市场现实状况。

建议修改为“需要具备五年以上设备供货及安装经验(以营业执照注册时间为准)。”

回复:技术规范书P204页中2.2.27.1供货范围:系统集成商设备供货及安装经验(以营业执照注册时间为准)应为五年以上。

2)此处系统集成商资质要求,“具有环保工程专业承包壹级及建筑机电安装工程专业承包贰级资质”此类资质在系统集成商中很难满足,这类资质基本上是施工单位或者专业分包单位,作为系统集成商很难同时满足以上资质,建议修改“具有环保工程专业承包二级或建筑机电安装工程专业承包贰级资质”

回复:技术规范书P204页中2.2.27.1供货范围:系统集成商资质应为具有环保工程专业承包二级或建筑机电安装工程专业承包贰级资质。

3)工艺包内设备是否需要按照风机、泵等设备品牌要求?

回复:是。

4)除氟树脂单元供货商(制造商)技术先进可靠,提供国务院或国家部委批准设立的权威机构技术成果鉴定报告,此处权威机构的定义,包括哪些机构?

回复:删除技术规范书P205“提供国务院或国家部委批准设立的权威机构技术成果鉴定报告。”

11.《新站高新区综合水质净化工程设备系统招标技术文件》中规定了相关工艺包单位的成立时间不一致、只有除氟工艺包有资质要求,是否合理?

除氟工艺包市场需求、成功案例年限相对较短,其他工艺包如反硝化深床滤池系统(要求5年)。建议改为“系统集成商具备五年以上设备供货及安装经验(以营业执照注册时间为准)”。

除氟工艺包供应商作为分包单位,非总包施工单位。满足”具有环保工程专业承包壹级及建筑机电安装工程专业承包贰级资质”极少,且文件中其他工艺包没有资质要求,具有倾向性。建议删除此条资质要求。

回复:技术规范书P204页中2.2.27.1供货范围:系统集成商设备供货及安装经验(以营业执照注册时间为准)应为五年以上。技术规范书P204页中2.2.27.1供货范围:系统集成商资质应为具有环保工程专业承包二级或建筑机电安装工程专业承包贰级资质。

12.技术规范书204页,针对除氟吸附系统集成商,设计院要求“系统集成商具备十年以上设备供货及安装经验(以营业执照注册时间为准),具有环保工程专业承包壹级及建筑机电安装工程专业承包贰级资质,具备本地化服务能力。系统集成商应具有国内除氟工艺包供货及安装业绩:近5年内除氟系统工艺包供货及安装业绩不少于3个,提供合同关键页证明材料。”。

然后设计院针对除氟树脂单元供货商又进一步要求“除氟树脂单元供货商(制造商)应具有良好信誉,并在国内有使用业绩。业绩要求:供货商(制造商)近5年内的工业废水树脂吸附供货业绩不少于2个,提交合同的相关部分的关键页证明材料、供货商(制造商)授权文件。技术先进可靠,提供国务院或国家部委批准设立的权威机构技术成果鉴定报告。”

提疑:经过与国内外一线除氟系统供应商询价得知,设计院的上述一系列的精准的靶向严格限定将除氟吸附系统完全控死。本项目本身为总承包招标,对投标人已经有了市政总承包壹级资质的资质要求,没有必要此处再额外设置一个所谓的“除氟吸附系统集成商”(这里所谓的除氟吸附系统集成商并不是除氟系统厂家,下面对除氟系统厂家还有更离谱的要求。本项目的其他工艺系统,都没有增设这个所谓的“XX系统集成商”这个要求,更没有对所谓的系统集成商再做总承包资质的要求。),而且还要求这个集成商必须再具备环保壹级和机电贰级两个资质,明显是为某一家量身定做的要求。难道除氟系统厂家都不能做这个系统,还必须额外增设一个所谓的“除氟吸附系统集成商”环节?怕上述要求还不能完全控死,又提出来除氟厂家要“提供国务院或国家部委批准设立的权威机构技术成果鉴定报告”!

上述一系列精准的靶向严格限定将除氟吸附系统完全控死了!请设计院列出能完全满足上述要求的三个除氟系统厂家及所谓的“除氟吸附系统集成商”公司名称来供投标单位询比价(并让这三家公司提供上述要求的资质和国务院的鉴定报告),目前只有唯一的一家可以满足上述要求,存在严重的唯一性,请求取消上述具有严重唯一性的限定条件。

回复:技术规范书P204页中2.2.27.1供货范围:系统集成商设备供货及安装经验(以营业执照注册时间为准)应为五年以上;系统集成商资质应为具有环保工程专业承包二级或建筑机电安装工程专业承包贰级资质。删除技术规范书P205“提供国务院或国家部委批准设立的权威机构技术成果鉴定报告。”

13.《新站高新区综合水质净化工程设备系统招标技术文件》中明确了部分标准设备供应商的成立时间、业绩要求,这些要求对相关工艺包内部设备设施是否具有相同的约束力?

回复:按技术规范书要求执行,投标人未明确具体设备名称,无法判定。

14.《新站高新区综合水质净化工程设备系统招标技术文件》中的相关工艺包集成单位的成立时间、资质要求、工程业绩要求均不统一,采用这种区别要求基于的原因是什么?能否统一要求?便于总承包单位落实分包系统集成单位。

回复:按技术规范书要求执行,投标人未明确具体设备名称,无法判定。

15.招标文件-技术规范书中要求投标文件中需提供一些设备承诺、性能参数、授权书之类文件,而招标文件中提到“投标人采用招标文件《参考品牌表》中参考品牌的,只能选择一个具体品牌投标可在中标后提供招标技术规范书中要求的相关资料”。

提疑:如投标人采用招标文件《参考品牌表》中参考品牌的,是否不需要在投标阶段提供技术规范书中要求的相关资料?请明确。

 

 


回复:如投标人采用招标文件P149页《参考品牌表》中参考品牌的,可以在标后提供技术规范书中要求的相关资料。采用其它品牌的,应在“第八章投标文件格式(报价文件)—(十八)投标人品牌响应表-投标人选定品牌”中填写投标品牌,并在投标阶段提供相关技术参数、业绩等材料,供评标委员会评审。

16.合肥水务集团2025年6月25日招标的“合肥市五水厂一、二期深度处理工程设备采购项目”中,对于臭氧发生器设备的技术要求为:“★臭氧发生器、供电单元、主PLC、闭路循环冷却水系统、臭氧投加系统及尾气破坏装置为成套设备,必须由臭氧发生器制造商一体制造,并在设备制造商原厂完成预组装及测试,不接受设备代理商在内的任何第三方组装产品,投标时提供臭氧发生器制造商有效一体制造承诺函。★臭氧发生器所有放电管(包含保险丝)需提供最少10年的质保,在此10年质量保证期内,设备正常运行条件下,放电管(包含保险丝)若出现故障,设备供应商必须免费更换,并不得收取任何形式的人工服务费,投标阶段由供货商进行书面承诺。臭氧系统内主机需在臭氧发生器品牌制造商自有工厂内生产或组装、测试,不接受第三方代工或贴牌产品,一经发现作违约处理并要求提供五倍于设备投标价格的赔偿金,投标人提供其投标品牌针对本项目设备的制造工厂名称和地址,供招标人监造和测试见证,投标人中标后需提供承诺函,同时加盖臭氧发生器品牌制造商和投标人公章。臭氧发生器进出口气路及冷却水路上的仪表阀门必须在出厂前完成预组装及测试,生产、组装和测试环节需接受招标人见证。所有配套设备包括冷却水系统、氮气投加系统、水射器投加系统、配气系统、尾气破坏系统等需整机撬装出厂,必须由臭氧厂家整体供货。需提供工厂测试报告模版。”

问题:臭氧发生器是深度处理的核心设备,臭氧发生器在品牌制造商自有工厂原厂一体生产制造与厂家找第三方代工或贴牌生产的品质、价格都相差甚远。请问本项目是否参照合肥水务集团的要求执行,即:必须由臭氧发生器品牌制造商在自有工厂内生产、组装、测试,不接受第三方代工或贴牌产品,一经发现作违约处理并要求提供五倍于设备投标价格的赔偿金。如果不做要求,我们也将采用第三方代工或贴牌的方式,否则我们用原厂一体化制造无法和其他品牌的贴牌价格去竞争。

回复:本项目不接受贴牌或第三方代工的臭氧发生器设备,具体按招标文件P231“2)为确保产品质量……”要求执行。

17.在技术规范第151页中提出底部空气管的材质为PE或更好。

请问是否可以使用比PE更好的UPVC材质。UPVC管道对比PE管道有以下优势:

1)UPVC管道的拉伸强度高于PE,承压能力更强;

2)UPVC管道的安装方式为胶粘,PE管道的安装方式为焊接,UPVC管道的安装更便捷可靠,在污水处理中更多的被普遍使用。

综合上述优势,请求可以使用比PE更好的PN1.6MPa的UPVC材质管材。

 

回复:按技术规范书要求执行。

18.技术规范书P759页要求:

“生物除臭设备中,菌种的好坏直接影响到处理效果,因此除臭系统菌种须来源于微生物类的国家重点实验室。制造商或其技术依托单位须具有菌种筛选、培育、接种能力,并有菌种分离、接种、保藏等必需的设备设施,以提供满足实际需要的菌种(微生物学国家级实验室国家教育部、科技部或农业部等部门网站有具体实验室名单或证明资料的,提供此类官网的名单截图等加盖公章,并提供制造商跟此类实验室签订的合作协议复印件)。”

质疑意见:

目前国内污水处理厂除臭系统,大量的采用常规生物法,生物除臭工艺简单、可靠,已经经过大量的案例验证。具体到生物法的菌种添加,目前市场上有很多优质、专业、成熟的菌种研发、生产企业,其菌种也应用于大量的生物除臭项目中,生物除臭菌种为市场成熟产品,没有国家强制性准入标准。国家行政部门对生物除臭系统菌种产品没有任何强制性要求,招标文件要求“菌种须来源于国家重点实验室”,该要求纯属噱头!既不客观、也无法实现。国家重点实验室是承担国家尖端、前沿的技术研发作为重点,而不是作为企业来售卖菌种!

如按照招标文件要求“制造商须和国家重点实验室签订合作协议”,该条款为排他性要求,该要求从法律、法规上无任何依据。没有任何证据能够证明“只有和国家级重点实验室有合作协议”才能完成本项目除臭系统的制造。

建议删除该条款!

回复:删除技术规范书P759“制造商须和国家重点实验室签订合作协议。”

19.除臭管道及支架漏项:

本项目除臭系统收集范围包括:预处理区、调节池及事故池、一级混凝沉淀池、二级混凝沉淀池、水解酸化池、生物反应池、储泥池、污泥浓缩脱水机房;

招标工程量清单内仅调节池及事故池有除臭管道材料列项,预处理区、污泥浓缩脱水机房两构筑物列有除臭管道安装费,其他除臭构筑物除臭管道及配套支架材料及安装费均未体现。

问:漏项的构筑物内除臭收集管道、支架材料及安装是否需要供货及安装?

回复:构筑物内除臭收集管道、支架材料及安装包含在本次招标范围内,管道支架及其刷油防腐仅包含在管道清单内,此项费用包含在投标总价中,请投标人谨慎合理报价,中标后不予调整。

20.光伏组件的清单工程量与技术规范书中要求的装机容量不一致,请问以什么为准?

回复:光伏发电系统装机容量以清单为准,请投标人谨慎合理报价,中标后不予调整。

21.招标清单、招标图纸以及招标文件技术规范书P306中对内进流网板式格栅的孔径要求均为5mm,而招标文件技术规范书P98中描述为“穿孔栅板由不锈钢/超高分子聚乙烯/聚丙烯板材制成,穿孔孔径为3mm”,孔径要求不一致,请确认以哪个孔径为准?

回复:内进流网板式格栅的孔径要求均为5mm。

22.在招标技术规范书P155页“表2.2.22-1高效沉淀池的进出水水质指标要求”中“SS进水≤20mg/L,出水≤5mg/L”;在招标技术规范书P177页“表2.2.23-1反硝化深床滤池的进出水水质指标要求”中“SS进水≤20mg/L,出水≤10mg/L”。

 

 

提疑:通常高效沉淀池出水可以保证SS≤10mg/L,而很难保证SS≤5mg/L;另外深床滤池进出水指标中“进水SS≤20mg/L,出水SS≤10mg/L”,高效沉淀池保证出水SS≤10mg/L不影响后续反硝化深床滤池的正常运行;而且在招标技术规格书第1页的“表1-1设计进出水水质主要指标一览表”中要求的最终排放标准SS≤10mg/L。

所以要求中间工艺段出水水质好于后续工艺段出水和最终排放标准,存在不合理性,建议高效沉淀池SS出水标准调整为≤10mg/L,请予以明确。

回复:按技术规范书要求执行。

23.在招标技术规范书P778页反硝化深床滤池设备清单第9项及招标图纸工艺图DC01D-10-06(反硝化深床滤池工程量设计图)的设备清单中序号“10-09M-01~12”两处“深床滤池内装”数量均为“12套”,但备注栏均注明“远期增加7套”。

 

 

提疑:请明确本次招标范围是12套后期可能额外增加7套,还是本次招标范围是5套后期增加7套?

回复:本次招标范围12套。请投标人谨慎合理报价,中标后不予调整。

24.招标文件技术规范书P3982.3.18.1离心鼓风机承包人提供该类型的设备应是国际知名品牌产品,应提供不少于20年的生产经验业绩与P2182.2.29.1范围制造商提供的离心鼓风机应采用技术先进的国际知名品牌,至少15年同类产品的制造生产经验不一致。

疑问:请确认以哪个为准?

回复:技术规范书中“2.3.18.1描述”中制造商年限应为15年。

25.根据新站高新区综合水质净化工程招标-技术规范书P206页-第3项“3、树脂再生系统中树脂再生系统,再生工序共耗时125min,具体程序如下:

1)反洗设计体积流速为12BV,反洗时间为20min

2)静置5min;

3)再生:进行逆流再生,再生剂采用5%AlCl3,再生体积流速为4BV/h,再生时间为30min,再生废液进入再生废液序批式反应池;

4)慢洗:采用树脂产水池产水逆向清洗,设置体积流速为4BV/h,慢洗时

间为30min,慢洗废水进入再生废液序批式反应池;

5)正洗:采用树脂产水池产水进行正洗,设置体积流速为20BV/h,正洗时间为60min,正洗废水排入前端废水调节池。”

疑问:除氟树脂具有较多的类型,不同的除氟树脂再生剂类型、再生工序及耗时也不完全相同,如明确必须按照上述再生剂种类、再生工序及耗时,存在明显排他性。

建议:招标技术规范书中所选工艺仅为参考,各投标人在满足出水参数要求条件下可以进行优化。

回复:在满足出水参数要求条件下,再生工序可根据投标人所采用的除氟树脂工艺相应优化调整,请投标人谨慎合理报价,中标后不予调整。

26.招标文件技术规范书P239-2.2.32高压带式深度脱水系统中表2.2.25-1污泥高压带式深度脱水系统及其主要辅助装置组成、规格表,如下表中参数

 

疑问:

1)高压带式深度脱水机在满足技术规范书性能要求的前提下,可否对设备功率进行微调?

回复:在满足技术规范书性能要求的前提下,可以对设备功率进行微调。

2)系统内除高压带式深度脱水机外的配套设备可否根据系统需要对功率、扬程、流量等参数进行微调?

回复:功率可进行微调,扬程、流量等参数在不低于技术规格书要求的基础上可进行微调。

27.招标文件和技术规范书要求提供资料矛盾,如招标文件P155“21.17.3承包人采用招标文件《参考品牌表》中参考品牌的,只能选择一个具体品牌投标,可在中标后提供招标技术规范书中要求的相关资料;......”技术规范书:P22承包人在投标时还须提供设备的产品说明书(包括材质、性能曲线、技术参数等)、主要制造标准、原产地和生产厂家的授权书......。如果不能提供以上资料,相应部分将视为不能满足标书要求。技术规范书P16“1.9备件供应:承包人应提供......并在投标文件中提供制造商的书面承诺原件。”

请问:技术规范书中要求相关资料、书面承诺是不是按招标文件要求在中标后提供?请明示。

回复:如投标人采用招标文件P149页《参考品牌表》中参考品牌的,可以在标后提供技术规范书中要求的相关资料。采用其它品牌的,应在“第八章投标文件格式(报价文件)—(十八)投标人品牌响应表-投标人选定品牌”中填写投标品牌,并在投标阶段提供相关技术参数、业绩等材料,供评标委员会评审。

28.招标文件技术规范书P248页,滤液排放泵为转子泵;招标文件技术规范书P378页,滤液排放泵为潜水离心泵。请明确滤液排放泵使用哪种泵型?

 

 

回复:技术规范书中P378页应为转子泵。

29.技术规范书2.2.3手电两用铸铁镶铜闸门、2.2.4手电两用不锈钢闸门要求手电两用启闭装置要求当闸门采用手电两用启闭方式时,应配套阀用多回转式电动装置,其主要由阀用电机、减速装置、转矩控制、行程控制、手/电动切换机构、位置指示机构、现场操作按钮、控制接触器、输入输出数据总线等。

问:本次投标闸门输入输出数据总线等说明,其具体要求没有细化,电动执行器厂家提出输入输出与总线控制有区别,目前三种闸门的控制方式为:①一体化开关型控制(可带单个输出或输出信号);②一体化调节型控制(输入输出,即闸门开关位移量少可调节);③一体化总线调节型控制(可带摇控器纯计算机控制),一般污水厂闸门要求:铸铁镶铜闸门、渠道闸门、不锈钢闸门为开关型就行,建议取消输入输出数据总线。

 

回复:按技术规范书要求执行,相关闸门须同时配备输入输出数据总线接口和开关型接口。

30.技术规范书2.2.3.2(5)气动装置主要用于反硝化深床滤池进水处闸门的快速开启或关闭,气动装置以空压机产生的压缩空气为动力源,并应配套必须的附属装置、管路系统和气缸等。问:本次投标的气动闸门不是速闭型的闸门,且气动装置无法实现快速开启或关闭,建议取消快速开启或关闭功能。

 

回复:按技术规范书要求执行。

31.技术规范书2.2.6垂直式调节堰门要求执行器采用原装进口国际知名品牌产品。问:可否采用国际知名品牌国内组装产品。

 

回复:按技术规范书要求执行。

32.技术规范书2.2.7速闭闸门,速闭启闭机一般为分体式电动头+控制箱,无法采用一体化电动头,建议改为分体式电动头+控制箱。

 

回复:一体化电动头或分体式电动头+控制箱均可。请投标人谨慎合理报价,中标后不予调整。

33.技术规范书2.2.19混凝沉淀池系统7、集水槽(出水堰)及出水堰板的要求与技术规范书2.3机械设备工艺2.3.3.6及2.3.3.7要求冲突,请明确集水槽及出水堰板的材质及厚度。

 

 

 

回复:不锈钢水槽厚度不低于5mm,出水堰厚度不低于3mm,材质不低于SS304。

34.技术规范书09D-高效沉淀池,2.2.22.8出水槽及出水堰板中(2)出水堰板厚度为5mm,而2.3.7.9出水堰板厚度为3mm。问:堰板厚度以哪个为准?

 

 

回复:不锈钢水槽厚度不低于5mm,出水堰厚度不低于3mm,材质不低于SS304。

35.招标文件技术规范书货物需求一览表中显示有厂外管网工程设备,而招标文件控制价清单中未见,请明确是否需要供货及安装相关设备,如需请给出设备描述及相应控制价清单。

 

回复:蝶阀已分别计入梅冲湖路、京东方泵站管网工程和魏武路、国显泵站管网工程中的钢筋混凝土矩形立式蝶阀井和管件中;铸铁镶铜闸门和手动启闭机含在大禹路管网工程中钢筋砼沉井中的工作井内径内,此项费用包含在投标总价中,请投标人谨慎合理报价,中标后不予调整。

36.请明确06D-水解酸化池(DN300、1000*800)、08-二沉池(B=1000mm、H=1000mm)、09D-高效沉淀池工艺(DN1000)、10反硝化滤池(气动闸门)、12-活性炭滤池(B*H=600*600、B*H=1000*1200)、京东方泵站、国显泵站闸门的材质。

回复:按技术规范书要求执行。其中06-01M-01~16、06-02M-01~02应符合有关手电两用不锈钢闸门技术规定的要求;08-4M-01~20、109-14M-01~02、10-04M-01~24、10-15M-01~14、12-01M-01~08、12-09M-01~02、京东方泵站闸门、国显泵站闸门应符合有关铸铁镶铜闸门技术规定的要求。此项费用包含在投标总价中,请投标人谨慎合理报价,中标后不予调整。

37.技术规范书2.3机械设备工艺要求、技术规格与现场条件中要求堰门密封面渗漏量:≤0.01l/min.m(密封长度)。

问:正常情况下闸门及堰门密封面渗漏量:≤1.25l/min.m(密封长度),而0.01l/min.m(密封长度)数值太小,可否将密封面渗漏量调速为≤1.25l/min.m(密封长度)。

回复:在最大工作压力条件下,闸门密封面的渗漏量应小于1.25l/min.m(密封长度)。

38.技术规范书要求闸门电动头为一体化,而询价单中要求京东方泵站及国显泵站含电气控制柜。

问:这两个泵站电动头是分体式+电气控制柜还是一体化(不含电气控制柜)

回复:闸门电动头为一体化;泵站一体化电控柜为轴流潜水泵和提篮格栅的控制柜(电控柜在电气工程中已计取)。此项费用包含在投标总价中,请投标人谨慎合理报价,中标后不予调整。

39.请明确09D-高效沉淀池叠梁闸上部盖板材质,是否需要配套提供可移动式起吊支架及手拉葫芦,如需是4套叠梁闸共用1套可移动式起吊支架还是1套叠梁闸配1套可移动式起吊支架。

回复:上部盖板材质应采用ASTM304不锈钢。根据技术规格书要求,承包人提供的铝合金叠梁闸应包括闸槽、分体重叠式门体、挂钩、移动式起吊装置等所有附件。

40.请明确砂水分离器及螺旋压榨机后垃圾桶的材质及容积。

回复:按技术规范书要求执行,配置垃圾桶需满足地方相关部门要求。

41.请明确01、02预处理区刮砂机材质

回复:按技术规范书要求执行,刮砂机材质应符合链板式刮泥机技术规定的要求。

42.请明确所有设备埋件材质。

回复:按技术规格书及图纸要求执行。

43.清单要求01、02预处理区砂水分离器附除臭罩、压榨机附轻质密封罩、污泥输送机附轻质密封罩。

问:技术规范供货范围中未要求砂水分离器、压榨机、污泥输送机提供密封罩,这个是否取消。

回复:砂水分离器应附除臭罩、压榨机应附轻质密封罩、污泥输送机应附轻质密封罩。

44.技术规范书中要求

直径≥300mm,而砂水分离器处理只有12.5L/S,直径280mm即可满足要求。

问:砂水分离器螺旋体直径可否调整为280mm。

回复:按技术规格书要求执行。

45.由于各厂家选型不同,设备功率可否在满足使用要求的情况下由制造商自行确定。

回复:设备性能在不低于技术规格书要求的基础上,设备功率可进行微调。

46.请明确工艺图纸与技术规范有矛盾时以哪个为准。

回复:图纸、技术规范书、清单、招标文件是一个有机整体,投标人未明确具体不一致之处,无法判定。

47.问题:反冲洗鼓风机

P229招标文件清单2.2.30的技术描述为无油螺杆风机,

 

P778招标文件7货物需求一览表7.1机械设备一览表,反硝化深床滤池第3条罗茨风机,Q=38.0m/min,风压78.6kpa,P=75KW,数量3台。

 

招标图纸DC01D-10反硝化滤池中,图纸设备编号10-03M-01~03设备名称又为螺杆风机

 

 

请问:P229招标技术规范2.2.30是无油螺杆风机,P778招标技术规范货物需求一览表设备清单是罗茨风机,反硝化深床滤池技术规范是无油螺杆风机;图纸M-01~03设备图纸是罗茨风机,图纸设备清单表是螺杆风机。

请明确反硝化深床滤池反洗风机是无油螺杆变频一体风机还是变频罗茨风机?

回复:应采用无油螺杆风机。请投标人谨慎合理报价,中标后不予调整。

四、图纸的相关疑问

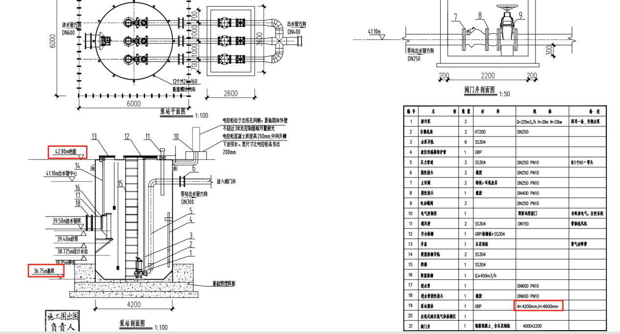
1.工艺图DC02D-04-32(京东方污水提升泵站)的设备清单中第19项一体化泵站筒体尺寸为“φ4200mm,H=6600mm”,但通过本页图纸的标高计算筒体高度应该是6050mm。

 

提疑:请明确该泵站筒体高度具体数值。

回复:该泵站筒体高度具体数值为H=6600mm。该泵站埋深将根据实施需求最终确定,一体化泵站与埋深相关的结构尺寸及参数应根据最终实施的埋深进行确定和供货。此项费用包含在投标总价中,请投标人谨慎合理报价,中标后不予调整。

2.工艺图DC02D-05-76(国显科技污水提升泵站)的设备清单中第19项一体化泵站筒体尺寸为“φ4200mm,H=6700mm”,但通过本页图纸的标高计算筒体高度应该是6800mm。

 

提疑:请明确该泵站筒体高度具体数值。

回复:该泵站筒体高度具体数值为H=6800mm。该泵站埋深将根据实施需求最终确定,一体化泵站与埋深相关的结构尺寸及参数应根据最终实施的埋深进行确定和供货。此项费用包含在投标总价中,请投标人谨慎合理报价,中标后不予调整。

3.为方便投标技术文件施工总平面图的绘制,请提供CAD版本的全套图纸,包括建筑结构图纸、基坑及总平面图。

回复:已提供PDF版本图纸。

4.根据招标图纸-除氟树脂车间工艺设计说明(DC01D-13-01)中“本工程拟选用螯合除氟树脂(暂定)作为本项目使用的树脂类型”。

疑问:除氟树脂具有较多的类型,如螯合型除氟树脂、载锆型除氟树脂、离子交换树脂等,如明确选用螯合型除氟树脂及其配套吸附、脱附工艺等,存在明显排他性。

建议:招标图纸中所选工艺仅为参考,各投标人在满足出水参数要求条件下可以进行优化。

回复:招标图纸中树脂类型为暂定,投标人可在满足技术规范书规定的性能要求和不改变土建结构的前提下,对工艺进行优化调整。

5.招标图纸-除氟树脂车间工艺设计说明(DC01D-13-01)中表述“本工程拟选用螯合除氟树脂(暂定)作为本项目使用的树脂类型”。

鉴于市场上存在多种性能优异的除氟树脂技术路线(例如螯合型、载锆型吸附剂、特定功能离子交换树脂等),每种路线均有其适用的吸附/脱附工艺特点。若限定于“螯合型树脂及其配套工艺”,可能无法充分体现“暂定”的初衷,并限制了投标人基于自身经验提供更优或更经济解决方案的可能性。

为确保技术方案的公平竞争和最优选择,建议明确:招标文件中对“螯合除氟树脂”的描述仅为参考建议。各投标人可在确保出水参数、运行稳定性及其他所有技术要求完全达标的前提下,自主选择并优化除氟树脂类型及配套工艺(吸附、脱附等)。

回复:招标图纸中树脂类型为暂定,投标人可在满足技术规范书规定的性能要求和不改变土建结构的前提下,对工艺进行优化调整。

6.招标图纸中未见一体化泵站(京东方泵站、国显泵站)及厂外管网工艺图纸,请提供相应图纸。

回复:详见招标图纸,图号DC02D-00-01~DC02D-07-45

 

:此补疑视同招标文件的组成部分,与招标文件具有同等法律效力。

招标人:合肥市水务环境建设投资有限公司

址:合肥市包河区包河大道398号A座

联系人:方工

话:0551-64423660

招标代理机构:安徽公共资源交易集团项目管理有限公司

址:合肥市滨湖新区南京路2588号(徽州大道与南京路交口)六楼

联系人:张工

话:0551-66223280、66223831

2025年08月19

三、附件

      答疑发布日期:2025年08月19日

附件:2025BFFGZ01774项目补疑2.pdf