您现在的位置: 首页 >> 答疑变更 >> 安徽公共资源交易集团项目管理有限公司 >> 工程
一、原公告主要信息
原项目名称: 合肥港中派作业区码头一期工程施工总承包
原项目编号: 2025BFFGZ01563
原公告日期: 2025年07月09日
二、公告内容(更正事项、内容及日期等)
合肥港中派作业区码头一期工程施工
总承包招标文件补疑5
项目编号:2025BFFGZ01563
第一部分:投标人疑问答复内容
1.招标文件中的联合体协议书:4.联合体各成员单位的职责分工如下(各自负责内容详细列明,如水运工程、建筑工程、公路工程、其他等):
填写具有港口与航道工程施工总承包特级资质资格,承担施工的水运部分;具有建筑工程施工总承包壹级、公路工程施工总承包贰级资格,承担建筑工程、公路工程、内部道路及必要的生产生活辅助设施等其他工程;是否可以认可?
答:可以。
2.单位工程“陆域形成”中清单“100403025003掺4%石灰改善土”清单特征描述为1.材料品种及规格:80cm厚掺6%石灰改善土,是否有误?
答:本项按80cm厚掺4%石灰改善土执行。本项目最高投标限价已严格按照“80cm厚掺4%石灰改善土”的标准编制。请各投标人注意:无需对项目特征描述进行修改,报价时统一按“80cm厚掺4%石灰改善土”的标准进行报价。
3.请问进港公路、桥梁工程扬尘治理措施费的计费基础和费率各是多少?
答:详见招标文件工程量清单说明、最高投标限价总说明。
4.招标文件工程量清单说明、最高投标限价总说明中,进港公路桥梁专业中有规定文件合交建管[2014]361号《关于公路工程施工招标计列扬尘治理措施费用的通知》,该通知有要求“扬尘治理措施费用”按照(定额人工费+机械费)×2.52%+外运士方、渣土运输机械封闭费2.3元/立方,进行报价,且为不可竞争费。请明确本项目进港公路桥梁中“外运士方、渣土运输机械封闭费”土方数量按照多少方计算?
答:本项目进港公路桥梁中“外运士方、渣土运输机械封闭费”土方数量按照28401.56m³进行计取,各投标人在报价时,需以此数量为基础。
5.《合肥港中派作业区码头一期工程施工总承包工程量清单及最高投标限价》文件中工程量清单、最高投标限价编制补疑中第8页,第8条:水运工程中安全文明施工费按工程造价(不含安全文明施工费本身)的1.5%计取。工程量清单及最高投标限价按此方案进行计取,投标人应按不低于按工程造价(不含安全文明施工费本身)的1.5%计取。第9条:水运工程中施工环保费按工程造价(不含施工环保费本身)的0.5%计取。
而发布的最高投标限价清单中,安全文明施工费,施工环保费的取费基数均不含一般项目的费用,与不低于工程造价的1.5%、0.5%描述不符,请明确取费基数?
答:本项目水运工程中的安全文明施工费、施工环保费,其取费基数均严格按照“不含一般项目的费用”执行。同时,投标人在进行投标报价时,需确保安全文明施工费的计取不低于水运部分工程造价(不含一般项目的费用)的1.5%,施工环保费的计取不低于水运部分工程造价(不含一般项目的费用)的0.5%。请各投标人严格遵照上述规定进行报价编制,确保符合项目要求。
6.《合肥港中派作业区码头一期工程施工总承包工程量清单及最高投标限价》文件中工程量清单、最高投标限价编制补疑中第7页,第7条:水运工程中的保险费(建设工程一切险及三者险合计)按专业工程造价的5‰计取。请明确专业工程造价取费基数是不含一般项目的费用吗?
答:本项目水运工程中的保险费(建设工程一切险及三者险合计),其取费基数为水运建设工程专业工程造价,且该专业工程造价不含一般项目的费用,按此基数的5‰计取。请各投标人在投标报价编制时严格遵照执行。
7.补疑3中,新发布的“工程量清单文件”与“附件1--报价文件格式”在表格数量上有一些区别,投标人是否只需要按照“附件1--报价文件格式”相应的表格要求编制报价文件即可?
答:投标人在编制报价文件时,可按照“附件1--报价文件格式”中相应的表格要求进行编制。请各投标人以此为依据规范完成报价文件的制作,投标人可自行考虑添加其他表格,但需符合项目报价文件的格式要求。
8.水运建筑物工程-码头清单计价表中,未见挡土墙施工迎水面部分止水措施,图纸也未见此部分施工措施,请给予明确?
答:水工建筑物等图纸及说明文字已对挡土墙、基坑施工方案提出要求,请投标人结合相关图纸及说明文字综合考虑。
9.本次招标中招标人选择执行异常低价评审,招标文件P68第三章评标办法3.7.4异常低价评审中规定:“投标人的评标价低于最高投标限价的85%且低于评标价平均值90%的,作为异常低价。”以上对于异常低价的规定并不能避免潜在投标人在本次投标过程中报异常低价,不能达到招标人防止投标人报异常低价的本意。
请问:是否将异常低价规定改为:“投标人的评标价低于最高投标限价的85%,作为异常低价。”?
答:不修改,按招标文件执行。
10.本项目室外工程:绿化工程中所有苗木绿化日常管理养护清单综合单价只记取了三个月的综合单价,未按照特征描述计取六个月。请明确。
答:经复核无误,最高投标限价已严格按照特征描述中的六个月养护期进行计取,不存在仅计取三个月的情况。
11.本项目水运部分:针对安全文明施工费。
(1)水运建设项目中的安全文明施工费按工程造价(不含安全文明施工费本身)的1.5%计取。经过我单位测算,清单控制价安全文明施工费计算规则为扣除一般项目合计费用,并不是按工程造价(不含安全文明施工费本身)的1.5%计取。
(2)工程量清单及最高投标限价按此方案进行计取,投标人应按不低于按工程造价(不含安全文明施工费本身)的1.5%计取。投标人是按照投标报价(不含安全文明施工费本身)的1.5%计取,还是按照工程造价(不含安全文明施工费本身)的1.5%计取。
答:详见本补疑问题5答复。
12.工程量清单文件-水运建设项目中“100403025003掺4%石灰改善土”,项目特征中掺石灰的比例为6%与项目名称描述不一致,请问以哪个为准?
答:详见本补疑问题2答复。
13.招标人提供的招标工程量清单与附件1--报价文件格式所提供清单表格不一致,以哪个为准,投标人是否可以自行添加缺失表格?
答:详见本补疑问题7答复。
14.附件1--报价文件格式中水运建设工程的报价文件格式,其中表B.0.3分项工程量清单计价表(带项目特征),将清单名称与项目特征列合并,而招标清单中两者为分开,最终投标报价文件以哪一格式为准,请明确。
答:详见本补疑问题7答复。
15.水运建设项目-陆域形成工程量清单100403025003掺4%石灰改善土的项目特征描述1.材料品种及规格:80cm厚掺6%石灰改善土,是否有误?
答:详见本补疑问题2答复。
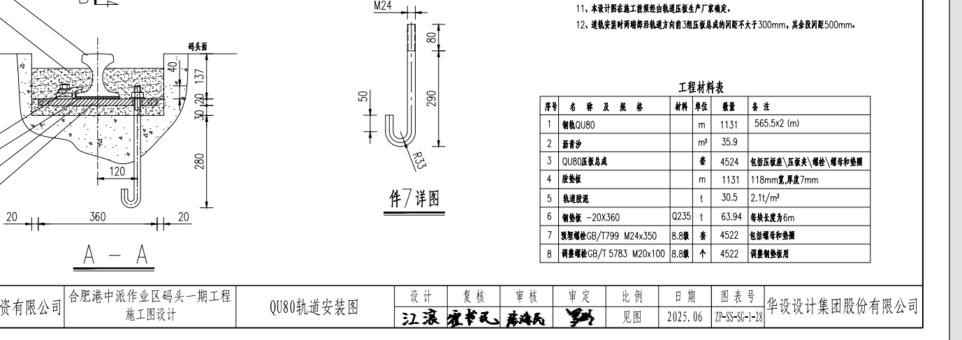
16.水运建设项目-水工建筑物工程-码头工程量清单100800017001钢轨购置及安装最高限价组价509.3元/m和图纸要求偏差太大,按图纸做法组价约在1500元/m,仅此一项差额约100万元,请予以复核。
答:此项综合单价依据招标图纸、现行计价规范、定额及市场信息价等信息编制,本工程量清单及最高投标限价不做调整,请各投标人进行综合报价,中标后不予调整。
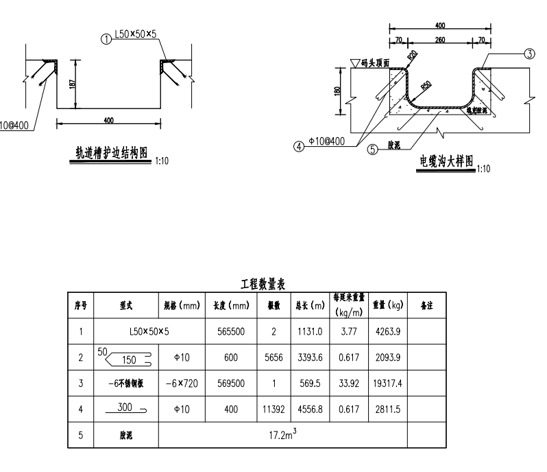
17.水运建设项目-水工建筑物工程-码头工程量清单101000008001胶泥工程量17.1m3,项目特征1.电缆沟、钢轨填充料,经复核图纸,17.1m3仅为电缆沟填料,不包括钢轨填充料,钢轨轨道胶泥30.5t应该含在钢轨购置及安装的综合单价里,请予以复核。
答:水运建设项目-水工建筑物工程-码头工程量清单101000008001胶泥不包括钢轨填充料,投标人无需修改项目特征,钢轨轨道胶泥已含在钢轨购置及安装的综合单价范畴,投标人综合考虑报价。
18.招标文件P34页“附录3资格审查条件(业绩最低要求)”中,要求一、港口码头工程施工业绩与二、房屋建筑工程施工业绩,本招标项目投标人业绩(资格审查)数量:2个。
这里是指一、港口码头工程施工业绩与二、房屋建筑工程施工业绩各1个,加起来共2个,还是指一、港口码头工程施工业绩与二、房屋建筑工程施工业绩各2个?请明示。
答:资格审查的业绩要求:港口码头工程施工业绩1个,房屋建筑工程施工业绩1个。
19.补疑3中“3、工程量清单文件中6合肥港中派作业区码头一期工程施工总承包-防洪专项工程”中提供的excel合肥港中派作业区码头一期工程施工总承包-防洪专项工程清单,里面有整套报价附表,与补遗3中的“附件1--报价文件格式”中提供的“合肥港中派作业区码头一期工程施工总承包项目-防洪专项工程-投标报价格式样表”不完全一致,具体如下:①“合肥港中派作业区码头一期工程施工总承包项目-防洪专项工程-投标报价格式样表”中的工程项目总价表、分类分项工程量清单计价表、措施项目清单计价表的工程名称是“合肥港中派作业区码头一期工程防洪专项工程”,Excel清单中工程名称是“合肥港中派作业区码头一期工程施工总承包-防洪专项工程”,②与Excel清单中的附表对比,“合肥港中派作业区码头一期工程施工总承包项目-防洪专项工程-投标报价格式样表”中缺少计日工项目计价表、投标人生产电、风、水、砂石基础单价汇总表、投标人自备施工机械台时(班)费汇总表、投标人生产混凝土配合比材料费表、总价项目分类分项工程分解表,投标人自行采购主要材料预算价格汇总表两处格式也不完全一致。
请问(1)投标时清单及附表的工程名称是否可以统一写成“工程名称:合肥港中派作业区码头一期工程施工总承包-防洪专项工程”,(2)投标时计日工项目计价表、投标人生产电、风、水、砂石基础单价汇总表、投标人自备施工机械台时(班)费汇总表、投标人生产混凝土配合比材料费表、总价项目分类分项工程分解表,投标人自行采购主要材料预算价格汇总表是否可以参考清单中的附表格式,(3)防洪专项工程中的施工安全生产专项是否有要求,请明示。
答:(1)投标时清单及附表的工程名称写成“工程名称:合肥港中派作业区码头一期工程施工总承包-防洪专项工程”或“合肥港中派作业区码头一期工程防洪专项工程”,均予以认可。
(2)
投标人在编制报价文件时,可按照“附件1--报价文件格式”中相应的表格要求进行编制。请各投标人以此为依据规范完成报价文件的制作,投标人可自行考虑添加其他表格,但需符合项目报价文件的格式要求。
(3)防洪专项工程中的施工安全生产专项不低于“分类分项项目”造价的2.5%。
20.如我单位作为联合体成员方参与项目投标,且联合体各方同时具备港口与航道工程施工总承包一级及以上资质、建筑工程施工总承包一级及以上资质、公路工程施工总承包三级及以上资质,牵头方按照3.8联合体的要求提供3.1中(1)港航资质要求及3.2中(1)业绩要求及项目经理、项目总工,我单位按照满足3.1中(2)建筑资质要求及3.2中(2)业绩要求,且详细评审阶段牵头方提供投标人业绩1(2个),我单位提供投标人业绩2(2个),请问,我单位作为联合体成员方,在联合体协议书承担港航专业分工,是否予以认可?
答:如投标人为联合体投标,联合体成员中承担港口与航道工程工作内容的企业提供业绩1;联合体成员中承担房屋建筑工程工作内容的企业提供业绩2。如承担港口与航道工程内容的联合体成员为多家单位,由其中任意一家提供业绩1,如承担房屋建筑工程工作内容的联合体成员为多家单位,由其中任意一家提供业绩2。
21.本项目投标文件制作软件导入已标价工程量清单(建筑工程部分)的要求是否参照招标文件投标人须知前附表中附录7要求。
答:是的。
第二部分:招标文件补充内容
投标文件制作工具中“投标文件(技术文件)”中“施工组织设计”(如下图红框所示)节点,投标人无需制作内容,如系统确需生成,投标人可上传空白类文档,该节点不作评审要求。投标人施工组织等技术文件应上传在“投标文件(技术文件)”中“施工组织设计技术文件”节点。

注:此补疑视同招标文件的组成部分,与招标文件具有同等法律效力,请投标人及时下载。
招标人:合肥市引江济淮投资有限公司
地址:安徽省合肥市经济技术开发区九龙路118号
联系人:邹工
电话:0551-63530667
招标代理机构:安徽公共资源交易集团项目管理有限公司
地址:合肥市滨湖新区南京路2588号六楼
联系人:张工
电话:0551-66223741、66223831
2025年08月13日
三、附件
答疑发布日期:2025年08月13日