您现在的位置: 首页 >> 答疑变更 >> 安徽公共资源交易集团项目管理有限公司 >> 工程
一、原公告主要信息
原项目名称: 亳州市党风廉政教育涡阳分中心工程施工
原项目编号: 2020BFWGZ01109
原公告日期: 2020年07月02日
二、公告内容(更正事项、内容及日期等)
亳州市党风廉政教育涡阳分中心工程施工
招标补疑
(编号:2020BFWGZ01109-补1)
各投标人:
重要提示
1、本项目按照2018版安徽省建设工程计价依据编制。
2、本项目建筑工程取费按“ 建筑 工程取费标准”中“ 民用建筑 ”的费率计取;安装工程取费按“ 安装 工程取费标准”中“ 电气设备、自动化控制仪表、建筑智能化工程 ”的费率计取;土石方工程取费按“ 建筑 工程取费标准”中“ 大型土石方工程 ”的费率计取;室外景观、绿化工程取费按“ 园林 工程取费标准”中“ 绿化、景观工程 ”的费率计取;室外排水工程取费按“ 市政 工程取费标准”中“ 道路、排水、桥涵工程 ”的费率计取。
3、税金采用增值税一般计税模式,增值税税率为9%。
本项目最终图纸7月2日通过工程补图发放,请投标人自行下载查阅。按业主要求,现对本项目招标工程量清单、最高投标限价编制作出如下补充:
第一部分:招标需求
一、招标范围:
亳州市党风廉政教育涡阳分中心工程,位于安徽省亳州市涡阳县城区东南部,S307省道西侧,县农产品电商物流园东南侧,县看守所拘留所西北侧。总用地面积为 15885.5㎡,总建筑面积为17195㎡,其中1#楼建筑面积为5110.5㎡,2#楼建筑面积为5958.05㎡,3#楼建筑面积为2380.36㎡,地下车库建筑面积为3746㎡,门卫室建筑28.16㎡。除特殊说明外,图纸设计范围内的所有内容,均按图计入。
(一)建筑工程
1、土建工程:包含土石方工程、基础工程、主体钢筋砼结构、墙体、保温、防水、室外台阶和坡道、散水等。
2、装饰工程:外墙面装饰工程、室内外门窗工程、内墙面、地面及顶棚装饰工程等。
(二)安装工程
1、给排水工程:给水从进单体第一个水表井开始计入,不含井及井内水表,水表井后按图全部计入;卫生洁具按图全部计入;排水工程计算至各单体楼室外第一个楼前井,不含井。
2、暖通工程:按图纸全部计入。
3、电气工程:1#、2#、3#、地库从配电房出线电缆开始计入,进配电房电缆按配电房半周长计入,其余按图全部计入;门卫从进门卫第一个配电箱(含配电箱)计入,配电箱前预埋管计至出墙1.5米,配电箱后按图全部计入;配电房至室外景观照明箱、门卫、充电桩电源箱的电缆不计。
4、弱电工程:仅计门卫预埋管。
5、消防报警、防火门监控、漏电火灾监控、消防设备电源监控:按图全部计入;从消控室至各单体的线缆计入各单体。
6、消火栓系统:出单体计算至但体外第一个井(不含井及阀门),阀门后按图全部计入。
7、喷淋系统:出单体计算至但体外第一个井或出墙1.5米(不含井及阀门),其后按图全部计入。
8、太阳能热水系统:按图全部计入。
9、高压细水雾系统:按图全部计入。
10、电梯工程:按图全部计入。
(三)室外总体及附属工程
1、土方石工程:包含场地内清理现场,土方平衡挖、填方,路基处理及缺方内运等。
2、室外安装工程:室外给水从进园区第一水表井开始计入(含井及水表),其后全部计入,并与单体无缝对接;景观照明从景观照明箱开始计入,照明箱进线电缆不计,照明箱后按图全部计入;室外消防按图全部计入,并与单体无缝对接;室外弱电排管按图全部计入;室外充电桩从充电桩电源(含电源箱)开始计入,充电桩进线电缆不计,其后按图全部计入;支路给水及路灯照明(不含照明箱进线电缆)按图全部计入。
3、道路工程:包含路基土石方、路基、路面、侧缘石等。
4、景观工程:包含室外地面硬质铺装、园路、侧缘石、树池、排水沟、雨水滞留带、非机动车车棚、坐凳、篮球场、围墙、六角亭、通廊、景墙、造型景石、青石块挡土阶等。
5、绿化工程:包含种植土换填、整理绿化用地、绿化苗木栽植、养护等。苗木保存养护期为两年,成活养护期为一个月,养护等级为一级养护。
6、室外排水工程:包含管道沟槽土石方工程、排水管道铺设、检查井、雨水口、 化粪池、隔油池等。
(四)市政道路工程(两条支路市政工程)
1、土方石工程:包含场地内清理现场、土方平衡挖、填方、路基处理及缺方内运等。
2、道路安装工程:包括照明工程、给水工程。
3、道路工程:包含路基土石方、路基、路面、侧缘石、人行道等。
4、交通工程:包含交通标杆、标牌、标线等。
5、排水工程:包含管道沟槽土石方工程、排水管道铺设、检查井、雨水口等。
(五)补充说明:
图纸上已设计,但不计入本次招标范围的有:无。
二、暂定项目:
(一)以下项目按照业主要求,以暂定工程量计入分部分项工程量清单,投标人综合考虑报价,标后按实际工程量结算:无。
(二)暂列金额:无。
(三)执行暂估价的材料、设备、专业工程及其金额如下:
1、材料的名称、规格型号、金额:无
2、设备的名称、规格型号、金额:无
3、专业工程名称、工程内容、金额:无
三、按项列入清单的内容,标后不予调整:
以下项目按照业主要求,按项计入,投标人自行踏勘现场,综合考虑报价,中标后不予调整。
1、预留洞口封堵:含门洞、室内管、井等在内的各种管道封堵;包括但不限于防火封堵、给水、排水、供水、电气、弱电、燃气、消防等配套单位的洞口预埋、开洞、封堵(含一次封堵及二次封堵)、修复、清理等一切工序及费用,满足防火构造及防火封堵要求。相关费用清单按1项分别计入各单体土建分部分项工程量清单中,投标人自行报价,中标后不予调整。
2、沉降观测点预埋及观测费(预埋件规格、埋设位置、数量满足图纸设计及检测要求),相关费用清单按1项分别计入各单体土建分部分项工程量清单中,投标人自行报价,中标后不予调整。
3、电梯洞口及召唤孔预留(各层电梯楼层显示盒及按钮盒等预留洞口),相关费用清单按1项分别计入各单体(不含门卫)土建分部分项工程量清单中,投标人自行报价,中标后不予调整。
4、电梯轿厢保护(采用18mm细木工板对电梯轿厢墙、顶、地进行保护,直至移交),相关费用清单按1项分别计入各单体(不含门卫)土建分部分项工程量清单中,投标人自行报价,中标后不予调整。
5、配电箱背面粉刷加固(非防火墙上凡消火栓、配电箱需穿透墙身嵌装时应在其后壁加钢板网1.2mm厚孔径≮9mm),相关费用清单按1项分别计入各单体(不含门卫)土建分部分项工程量清单中,投标人自行报价,中标后不予调整。
6、本项目的所有排水降水工程,满足业主要求、现场施工基坑安全及相关施工规范要求,投标人依据施工组织设计及规范配置,相关费用清单按1项计入土石方工程分部分项工程量清单中,投标人自行报价,中标后不予调整。
7、本项目与原有市政道路衔接、道路破复以及施工范围内涉及到的所有拆除项目以及破除恢复项目,相关费用清单按1项计入土石方工程分部分项工程量清单中,投标人自行报价,中标后不予调整。
8、本项目所有施工范围内地上地下杆管线迁移、恢复、保护及施工配合等费用,涉及的所有地上、地下杆线(含强电、弱电)、管网迁移、管井加固、保护等,相关费用清单按1项计入土石方工程分部分项工程量清单中,投标人自行报价,中标后不予调整。
9、本项目临时用水、用电(含报装、接引费),相关费用清单按项计入土石方工程分部分项工程量清单中,投标人自行报价,中标后不予调整。
10、新旧管、井连接,新建给排水管道与市政管道衔接、与原有管道顺接费用,原有检查井改造措施费,上下游管井清淤疏通费用,相关费用清单按1项分别计入室外排水工程和两条支路市政工程分部分项工程量清单中,投标人自行报价,中标后不予调整。
11、抗震支吊架:清单按1项分别计入各单体安装工程分部分项工程量清单中,标人在投标报价时应充分考虑抗震支架的后期深化设计方案及完成制作、安装工作等一切相关费用,验收要满足符合《建筑机电工程抗震设计规范》GB50981-2014/ <<混凝土用机械锚栓>>JGT 160-2017/<<室内管道支架及吊架>>03S402/<<混凝土结构后锚固技术规程>>JGJ 145-2015;投标人投标时应综合考虑报价,中标后不予调整。
12、本项目室内环境检测费,需确保验收合格,控制价按一项分别计入1#楼土建分部分项工程量清单中,投标人自行报价,中标后不予调整。
四、补充图纸及修改图纸的说明:
本工程在第一次发放图纸后,有补充图纸,具体详见图纸目录。
五、总承包服务费:无
六、温馨提示:投标人投标报价还须仔细阅读本项目招标文件,慎重报价。
1. 本工程涉及的所有试验、检测费用(包括但不限于基坑监测、基坑监测观测点预埋、变形观测、桩基检测、消防检测费、保温防火检测费、门窗检测费、各种设备和材料的专项检测、变压器防护费用等),相关费用清单不单独列项,由投标人综合考虑在报价中,结算时不予调整。(招标人委托的第三方检测费不在本次招标范围内)
2. 现场存在的零星建筑物、构筑物、桥涵、建筑垃圾、建筑基础、道路、树桩、池塘、沟渠、淤泥、水井、苗木、农作物等影响因素需考虑拆除和清理,涉及的所有相关费用,清单不单独列项,投标人自行踏勘现场,综合考虑报价,中标后不予调整。
3. 本项目涉及的全部资料由中标人扫描、收集汇总,并统一报送档案馆,涉及到的所有相关费用,清单不单独列项,投标人自行踏勘现场,综合考虑报价,中标后不予调整。
4. 本项目实施过程中所有专家论证、评审费用,清单不单独列项,投标人综合考虑报价,中标后不予调整。
5. 本项目涉及到供电、供水、消防、燃气等所有红线内外其他安装工程的交叉施工及可能产生的局部多次土方翻挖平整、外运、市政接管破复或半成品返工、施工水电费(包括燃气等专业管线施工产生的水电费用)的情况,中标人需无条件配合实施,清单不单独列项,投标人综合考虑报价,中标后不予调整。
6. 工程完工撤场前做到“工完料尽场地清”,临设、临时道路、硬化场地等应全部破除、清理,工程所产生建筑垃圾应全部清运出现场。清单不单独列项,投标人在报价中自行考虑,中标后不予调整。
7. 本工程采用商品砼和预拌砂浆,预拌砂浆包括砌筑砂浆、内外墙体粉刷、楼地面等砂浆,不允许自拌砂浆。
8. 地下室施工照明及通风费、大体积混凝土施工增加费、止水螺栓一次性使用费、防水封堵费等费用不单独列项,投标人在报价中自行考虑,中标后不予调整。
9. 本项目在施工过程中涉及到的其他相关一切措施费用,清单不单独列项,投标人在报价中自行考虑,中标后不予调整。
第二部分 :设计文件及技术补充说明
土建共性问题
10. 土方挖土深度按设计标高计算,还是按自然标高计算?如按自然标高,请提供原地貌土方测绘成果文件?
答:土方开挖及回填标高按照测《(原始)党风廉政教育基地红线图》红线内的各个点的平均标高计算。
11. 施工范围内土方的挖、填、运等须参考地质勘查报告、各施工图纸及现场实际情况,涉及费用及工程量在土方工程清单控制价中充分考虑。多余土方、淤泥、排水、植被、建筑垃圾等须外运至招标人指定的弃土点(如招标人没有指定的弃土点,投标人自行解决)。若需外借土方,自行解决取土点,回填土质须满足施工图纸设计及相关规范要求。投标人须自行踏勘现场,根据现场实际情况,自行考虑各方面因素后审慎报价,综合报价应考虑土方施工中的渣土费、弃土场、弃土点的平整、渣土运输清理费、降排水、外购土方费用、保洁费、办证、现场苗木、建筑垃圾等杂物的清理及其他可能发生的一切费用由投标单位勘察现场后自行考虑,中标后量、价均不予调整。控制价编制土方运距按5公里计入。
12. 基坑支护是否在本次招标范围内?如在,请提供基坑支护图纸?
答:基础施工时,各投标单位自行考虑措施方案,或采取支护措施方案,或采取自然放坡的方式,或采用其它技术措施,确保基础施工时,边坡稳定,以及周边建筑物的安全。本工程各单体基础土方工程最高限价编制时按放坡考虑,投标人须自行踏勘现场,根据现场实际情况,自行考虑各方面因素后审慎报价,综合报价应考虑土方施工中的弃土场费、渣土费、渣土运输清理费、周边防护、降排水、外购土方费用、保洁费、专家论证、协调费、办证、现场苗木、建筑垃圾、修建运输通道及地下障碍物等杂物的清理及市容、路政、环保部门征收的等其他可能发生的一切费用,综合考虑在报价中,中标后量、价均不予调整。
13. 地下车库内的地面导向箭头标志、车档、车行道设施、停车位标志、护墙防撞、橡胶减速档等图纸无相关的具体设计,请明确是否在本次招标范围内?
答:未设计,无法计入,不在本次招标范围内。
14. 卫生间隔断(含小便斗隔断)、梳妆镜、洗漱台、安全抓手及扶手等是否计入?
答:未设计,不在本次招标范围内,纳入二次装修设计。
15. 3#楼大会议室内桌椅、一层包厢内家具、一层食堂桌椅、二层小会议室内桌椅、三层健身器材是否在本次招标范围内?
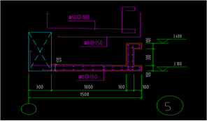
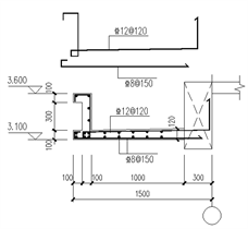
答:不在本次招标范围内。
16. 3#楼大会议室内箭头所指装修造型是否在本次招标范围内?如在,请明确做法?

答:未设计,无法计入,不在本次招标范围。
17. 清单编制时地库与主楼界面如何划分?
答:按±0.000水平划分。
18. 本项目设计图中的一级钢及三级钢直径6是否按6.5计入?
答:是。
19. “厨房卫生间内墙1600以上为实心煤矸石砖MU15。”,请明确本工程是否执行此要求:卫生间内墙1600以上为实心煤矸石MU15?

答:是。
20. 请明确卫生间前室、茶水间是否按照卫生间内防水和装饰做法?

答:是。
21. 室内装修做法表中,请明确卫生间、水井墙面的2厚水泥基防水涂料的防水高度是多少?

答:上翻至1800mm高度。
22. 水井地面是否做2厚水泥基防水涂料防水?
答:不做。
23. 本项目是否除一层外所有楼板底面都需要设置保温材料超高密度玻璃棉弹性垫?
答:内容如下:1#楼走廊、楼梯间、电梯井、卫生间、设备机房(消防控制室,UPS机房等)均不设置楼面保温;2#楼走廊、楼梯间、电梯井、洗衣房、设备管井、房间内卫生间均不设置楼面保温;3#楼楼梯间、电梯井、卫生间均不设置保温;详见建筑设计说明(做法表)。
24. 室内装修做法表中,此处有两个地面3,后一个地面3是否应改为地面5?且后一个地面3中缺少地砖面层,是否应该增加地砖面层?

答:后一个地面3应为地面5;应增加地砖面层,卫生间楼地面做“8~10厚防滑地面砖,干水泥擦缝”。
25. 室内装修做法表中,卫生间楼地面设计为防滑地砖,而墙面设计为(面层为水泥砂浆收光),请明确墙面是否做300*600墙面砖?

答:未设计,暂不考虑,纳入二次装修招标范围。
26. 电气间、弱电智能化机房、机房工作间、电梯机房的房间装饰做法是否按照UPS机房,空调机房、配电房,消防控制室、设备机房的做法(楼面2、内墙1、顶棚2)?
答:是的。
27. 除顶棚2(设备机房、总监控室、楼梯间、储藏室、UPS机房、配电房、消防控制室、电气间、弱电智能化机房、机房工作间、电梯机房)、顶棚3(卫生间)以外的房间顶棚装饰做法是否都按照顶棚1做法?
答:是的。
28. 除内墙3(卫生间、设备管井)以外的房间内墙装饰是否都按照内墙1做法?
答:是的。
29. 楼面2:楼梯间地面为水泥砂浆地面,而楼面5:楼梯间地面为防滑地砖地面,请问以何为准?
答:防滑地砖地面。
30. 请明确图集中坡道、台阶、平台及挡墙的花岗岩品种?

答:25厚芝麻白烧面花岗岩。
31. 请明确室外台阶挡墙的做法?

答:参图集12J003 1/B9。
32. 请明确以下两处轻集料找坡的轻集料具体是什么材料?


答:陶粒混凝土。
33. 屋面(门厅)挑板、挑檐板、雨棚、屋顶构架柱、梁、板上下面、侧面,线条等凸出构件、百叶窗内侧、屋面风井外墙面、女儿墙内外侧等所有外墙外露面,是否都做外墙真石漆面?

答:所有外墙外露面均做外墙真石漆。
34. 请明确外墙保温构造中专用砂浆厚度,聚合物防水砂浆找平厚度?外墙真石漆的腻子、外墙真石漆的底层、面层等具体做法?

答:5厚专用砂浆,5厚聚合物砂浆,外墙真石漆做法:柔性耐水腻子2遍,弹性底涂,底漆一遍,真石漆喷涂二遍,罩面漆一遍。
35. 请具体明确两种不同材料交接处,外、内墙面加强是采用钢丝网,还是采用网格布?

答:1.0MM热镀锌钢丝网。
36. 本项目是否仅在楼梯间及人流通道(如下图所示)范围内需要设置钢丝网砂浆面层加固?

答:同意,结-2第6.4条已明确做法。
37. 请明确外挑造型屋面做法?

答:为不上人无保温做法,做法参12J201第A7页节点A13,由上到下:1) 50厚直径10--30卵石保护层;2) 1.2+1.2厚OXD热塑性聚烯烃聚酯复合高分子防水卷材 (低温弯折性-40℃) ;3)20厚1:3水泥砂浆找平层(设分隔缝);4)最薄处30厚LC5.0轻集料混凝土2%找坡层;5) 钢筋混凝土屋面板。
38. 外窗是否按照图纸说明设置纱扇,底层加设防盗窗,若要,请明确底层加设防盗窗的具体做法?
![]()
答:未设计,无法计入,不在本次招标范围。
39. 请明确风井、电梯井是否抹灰?
答:未设计,无法计入,不在本次招标范围。
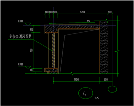
40. 请明确成品古铜色铝合金通风百页的具体参数?
答:成品铝合金百叶,6公分宽,间距约6公分。
41. 请明确湛蓝色断热铝合金6+12+6玻璃门窗,请明确铝合金边框型材的相关要求?
答:参02J603-1第112页,90系列铝合金窗。
42. 请明确消防救援窗的具体要求?
答:耐火极限达到2小时。
43. 请明确卫生间大便蹲位做法?
答:参16J1914-1第XT19页。
44. 请明确电梯基坑、集水井、排水沟、截水沟等防水做法?
答:面层使用20厚1:2防水砂浆抹面。
45. 请明确风井盖板顶面装饰做法?
答:面层使用20厚1:2防水砂浆抹面。面层为外墙真石漆。
46. 请明确电梯基坑爬梯做法?

答:参图集15J401第A28页。
47. 请明确楼梯平台护窗栏杆按做法?

答:按图集15J403-1 H1/C14做。
48. 滴水线是否按照成品塑料滴水线条做?

答:是。
49. 请明确屋面设备基础的高度及混凝土强度等级?

答:设备基础混凝土等级为C30,补充设备基础大样图如下:

50. 请明确空调洞口套管的材质。
答:混凝土材质采取钢套管,非混凝土材质采取PVC套管。
土建个性问题
1#楼
51. 三层梁配筋图里的楼层底标高与各平面图中标注的楼层标高(1-5层的底标高分别为-0.1m,5.12m,10.32m,14.32m,18.32m,22.4m和23.9m)不一致,请问是否以各平面图中标注的楼层标高为准?

答复:以平面图中标注的楼层标高为准。
52. 地下室顶~10.40标高柱平面布置图,柱标高至10.4m,而三层结构平面布置图中,梁板结构标高为10.32m,请问是否应该以10.32为准?


答复:以10.32为准。
53. 此处柱标高是否应该到14.32m?

答:是到14.32m。
54. LM1、LM2,LC1、LC2、LC3、LC4、LC5,门窗表中的尺寸与门窗大样图中的尺寸不一致,请明确是否应该以门窗大样图中的尺寸为准?

答:以门窗大样为准。
55. 请明确独立基础混凝土强度等级?
答:为C30。
56. 电梯机房屋面结构图中标高为25.4m,建筑图中标高为25.9m,请明确是否以25.9m为准?

答:1#楼此处标高为25.9,2#楼此处标高为25.4,两处不一样。
57. 门厅屋顶,图纸未见女儿墙大样图,请明确屋面女儿墙大样图?
答复:门厅屋顶,图纸上已有大样6,其中标高6.00~7.10之间为砖墙,上有WKL3压顶,其余按如下大样施工。

58. 此处是否按照室外台阶平台做法?

答:是。
59. 对照图纸平面图,请明确LC3的尺寸是否应该为3900*1900mm?
答:以大样为准。
2#楼
60. 2#楼电梯基坑底板及墙壁混凝土标号是多少?

答:同梁板混凝土标号。
61. 请明确此处挑檐板混凝土标号为多少?是C25还是C30?

答:同楼板混凝土强度等级。
62. 请明确素混凝土反坎砼标号是多少?

答:为C25。
63. 请明确空调间内部空间装饰做法是否同外墙面做法?

答:同外墙面做法。
64. 请明确此处造型雨棚混凝土标号为多少?一层东侧建筑节点大样5。

答:同相连的梁板混凝土标号。
65. 请明确二层2-3轴北边此处雨棚节点做法。

答复:按如下大样施工

66. 二层结构标高为标注降板,但建筑图上有标注结构降板,此处标高是否参照建筑图标注标高结构降板?


答:建筑图标注为H-0.08(结构),二层建筑标高H为3.90m,结构图标高为3.820,后期铺设楼面保温,施工完成面达到建筑标高。
3#楼
67. 请明确一层东北角区域装饰做法?

答:顶棚木色铝合金方格格栅吊顶,间隔约800X800,参12J502-2 第D21页,地面同室外台阶做法。
68. 3#楼一层东边LC1窗是否标注有误?一层建筑图标注为4000,门窗表标注为2500*3300。


答:尺寸按照4000*3300mm。
69. 一层西北角通风百叶显示尺寸节点4与门窗表尺寸不符,请问以哪个为准?



答:高度按照1100mm。
70. 二层、三层无障碍厕所门未标注尺寸规格型号,是否参照一层同部位门尺寸规格型号?

答:二层、三层按照M1021。
地库
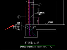
71. 地下室外墙WQ*大样中基础梁尺寸为600*1000mm,地库外墙下条基梁(TJL1)做法中的尺寸为900*700mm,请明确以何为准?

答:按地库外墙下条基梁(TJL1)做法中的尺寸为900*700mm。
72. SQ1墙下暗梁图纸大样图中标注详见梁图,图纸中未见梁图,请明确SQ1墙下暗梁的具体尺寸及配筋?
答:
73. 请明确电梯基坑的底标高为多少?
答:1#楼、3#楼电梯基坑底标高为-6.900m,2#楼电梯基坑底标高为-1.800m。
74. 砖胎膜是否需要抹灰,若抹灰,请明确抹灰做法?

答:靠混凝土一侧抹灰,用1:2水泥砂浆厚25。
75. 地下室是否只是外墙柱抗渗等级为P6,内墙柱是否需要抗渗?地下室消防水池内墙是否需要抗渗?

答:均做抗渗。
76. 地下室外墙防水:20厚1:2.5水泥砂浆找平层(根据现场施平整情况是否设)(预拌砂浆),是否需要设置?

答:设置。
77. 负1层至1层的楼梯间是否设置靠墙扶手?

答:设置,参15J403-1第E3页节点K5。
78. 地库在吸水槽处的筏板基础做法是否参照集水坑的做法?
答:是。
79. 底板防水、顶板防水隔离层:10厚低标号砂浆隔离层,请明确低标号的砂浆配合比?
答:1:3水泥砂浆。
80. 地下车库地面,请明确此处100厚面层的做法?

答:95厚C25细石混凝土面层内配单层双向∅4@200钢筋网,每隔4X4米设置分隔缝,缝宽20,密封膏嵌缝+6mm厚防尘耐磨高级地坪漆。
81. 请明确地下车库地面选用的图集中的地坪漆厚度?此图集中C10混凝土是否应改为C15混凝土?

答:地坪漆厚度6mm。C10混凝土改为C15混凝土。
82. 请明确地下车库侯梯厅地面装饰做法是否按照单体楼楼面4的装饰做法?墙面装饰做法是否按照单体楼内墙1的装饰做法?顶棚装饰做法是否按照单体楼顶棚1的装饰做法?
答:是。
83. 请明确地下车库楼梯间地面装饰做法是否按照单体楼楼面5的装饰做法?墙面装饰做法是否按照单体楼内墙1的装饰做法?顶棚装饰做法是否按照单体楼顶棚2的装饰做法?
答:是。
84. 请明确地下车库里的生活泵房、风机房、消防泵房、电气间、排烟机房、车库配电间的地面装饰做法是否与地下车库通车道的地面装饰做法(地坪漆+混凝土面层)相同?墙面装饰做法是否按照地下室内墙面的装饰做法(15厚1:2水泥砂浆找平+满刮腻子+白色无机防霉涂料)?顶棚装饰做法是否按照地下室顶棚的装饰做法(白色无机防霉涂料)?
答:是。
85. 建筑图纸说明中水池防水做法与装修表中的防水做法不一致,请明确以何为准?并明确墙面、顶棚装饰面做法?


答:按照“3、防水工程”第10条做法。墙面、顶棚做至防水涂料面,不做装饰面。消防水池地面、墙面、顶棚防水按照1.5厚聚氨酯防水涂料+2.0厚水泥基渗透结晶型防水涂料。
86. 汽车出入口坡道地面,装修表为无震动止滑坡道做法,汽车坡道2-2剖面图中为60厚机加工花岗岩石板(浅米色)汽车坡道做法,请明确以何为准?汽车出入口坡道内侧墙面、汽车坡道外侧墙面及顶部,装修表为外墙(仿石材)真石漆,汽车坡道2-2剖面为16厚花岗岩石材贴面(浅咖色),请明确以何为准?

答:按60厚机加工花岗岩石板(60厚巴西灰麻花岗岩)汽车坡道地面做法,花岗岩石板防滑条,做法参图集05J927-1 37/4和16厚花岗岩石材贴面(16厚巴西灰麻花岗岩)墙面做法,做法参图集皖2014J301 第64页外墙B。
门卫室
87. 此处门牌是否在本次招标范围内?如果在请明确具体做法,如砖砌还是混凝土、外立面做法、内侧是否需要抹灰、内部地面是否需要硬化。



答:是,墙体材质为250厚C30混凝土,外立面为30厚700X700米白色毛面花岗岩贴面,前后两面及顶面均需要铺贴,参国标图集,05J909第WQ18页,内侧需抹灰(做法同门卫室外墙抹灰做法),内部地面计入室外地面。
88. 门卫室外保温是否为外墙:30厚岩棉板,屋面:40厚难燃型挤塑聚苯板?外墙是否整个外立面除门窗洞口外均设施保温?屋面4.2m~4.9m外挑造型板是否需要设置保温?保温板的容重为多少?请明确。

答:保温为外墙:30厚岩棉板,屋面:40厚难燃型挤塑聚苯板;外立面除门窗洞口外均设施保温,屋面4.2m~4.9m外挑造型板不需做保温,保温板参考容重120kg/m3。
89. 伸缩电动门及预埋轨道件是否在本次招标范围内?如果在请明确做法

答:在范围,单项开启明装式,含预埋轨道。
90. 电磁铁艺门是否在本次招标范围内?如果在请明确做法

答:在范围内。
91. 门窗表上M1031是尺寸否有误?

答:是1000*3100
92. 门卫卫生间做法是否同本项目其余楼卫生间做法?
答:是
室外景观、绿化
93. 道路、铺装及停车位平面图中的600x300x120机切面芝麻灰侧石,图纸平面图中的实际尺寸为100宽,是否应该改为600x300x100机切面芝麻灰侧石?

答:统一按600*300*100机切面芝麻灰侧石。
94. 下图中的铺装图纸中未标注材质,请明确铺装材质?

答:周围为200*200*30厚芝麻白烧面花岗岩,中间圆形为直径600厚度50雕花成品花岗岩饰料。
95. 下图中,次入口处的铺装图纸中未标注材质,请明确是否与主入口的门卫室处的铺装材质相同,为200*100*60mm透水砖人字铺品红色?

答:是的。
96. 沥青路面和路侧石在主入口、次入口处的界线如何划分?

答:以此线为界,红线范围内均在招标范围内。
97. 次入口处是否有大门,如有,请明确具体做法?
答:大门为伸缩门,同主入口大门。门卫岗亭为成品选购,尺寸2500*2500*3000mm,镀锌管骨架,透明玻璃贴茶色防爆膜,转弯处10mm热弯钢化玻璃,12mm钢化玻璃,杉木/花纹铝底板,顶部镀锌板,采用特殊防水铰接工艺,高强PVC扣板吊顶。
98. 请明确粗粒式沥青混凝土AC-26,是否应该改为粗粒式沥青混凝土AC-25?

答:是的。
99. 请明确100厚开级配砂石是否应为100厚天然级配砂石,200厚开级配水泥稳定碎石是否应为200厚5%水泥稳定碎石?

答:是的
100. 请明确d300-500mm黄锈石冰裂纹烧面花岗岩的垫层做法是否按照花岗岩地面做法(图号D03-5)?

答:是的
101. 篮球场地面结构做法中,沥青混凝土与水泥混凝土之间是否设置透层,沥青混凝土与沥青混凝土之间是否设置粘层?透层与粘层是否按照道路做法?

答:均设置,按照道路相同做法。
102. 中粒石沥青混凝土,粒径不大于20,型号是否为中粒式沥青混凝土AC-20?细沥青混凝土,压实系数0.95,型号是否为细粒式青混凝土AC-13?
答:可以。
103. 请明确硅PU地面层的厚度?请明确硅PU地面层是否需采用专用粘结剂与地面粘结?
答:硅PU厚度为7mm,采用专用粘接剂与地面粘结。其有害物质限量及气味要求必须符合新国标GB36246-2018的所有技术要求, 所有材料进场后需现场取样送检,经有国家检测资质的单位检测合格后才能施工。
104. 景观图纸无法准确计算绿化土方工程量,请设计提供。
答:清单编制土方量按1000m3计入,中标后量价均不予调整,投标单位自行勘察现场,综合报价。
105. 请明确景石的具体工程量?

答:景观水池上游和景观下凹绿地雨水滞留池,直径240-450黄石各1吨;青石块挡土阶处的青石块15吨;造型景石采用太湖石、灵璧石,3-4组,共重3吨。
106. 请明确景观水池、雨水滞留池的防水毯的规格、厚度?
答:4500g,6mm厚。
107. 请明确以下植物的冠幅、高度及每m2的数量?

答:葱兰:冠幅15,高度15.
麦冬:高度15
黄菖蒲:高度25
再力花:高度25
旱伞草:高度30,冠幅20
室外排水工程
108. 按照排水工程图纸设计说明,请明确雨污水管道从管基础面至管顶以上0.3m范围内的沟槽回填材料是良质土(素土),是6%灰土,还是中粗砂?管顶以上0.3m以上至路基(或者地面)是否采用素土回填?

答:回填材料采用6%灰土;顶以上0.3m以上至路基(或者地面)采用素土回填。
109. 下图中,箭头所指的2段是否为污水管,若是,请明确管径?

答:此处管道为地下室集水坑的排出管,管径详见车库集水坑图纸。
110. 排水工程图纸设计说明中,请明确排水管连接方式是否应为“O”型胶圈密封承插式连接,环刚度8KN/m2?
答:是的。
111. 请明确雨水口至雨水检查井的连接管材质、做法?沟槽回填做法是否按与增强聚丙烯(FRPP)模压排水管回填做法一致?


答:单篦连接管为DN200的增强聚丙烯(FRPP)模压排水管,双篦连接管为DN250的增强聚丙烯(FRPP)模压排水管;做法同主管道。
112. 请明确检查井安全防坠网做法?
答:详见附图。

113. 请明确雨水口参照图集05S518的哪一页做法?

答:05S518-32/33
114. 请明确化粪池、隔油池的参考图集号、具体做法?
答:化粪池、隔油池可均采用成品玻璃钢。成品隔油池为:不锈钢成品隔油池,处理流量3.4L/s,尺寸1400×800×550mm;成品化粪池为:12#钢筋混凝土成品化粪池,尺寸:13000*2900mm。
115. 图纸说明中“行车主干道上的雨水口及检查井须加固,图集为皖98J001-39~45”,请明确图集中加固的混凝土强度等级?
答:C30。
两支路工程
116. 下图中,次入口处道路、侧石在室外工程里面已经有过设计,和本次道路的范围重复设计了,请明确次入口处道路、侧石是否不计入本次道路的范围?

答:是的。
117. 请明确此处1489.811,数字是否汇总错误,应为1233.788m3?并请明确道路的填方材料?路基处理大样图中(道路-09),车行道、人行道清表后,采用级配碎石回填的具体工程量是否为土方总量计算表(道路-25、道路-26)中的工程量?

答:(1)此处为汇总错误,应为:505.8255+727.962=1233.788立方米。道路填方均为级配碎石,详见道路-09。
(2)是的,道路-09路基处理大样图是路基回填的做法及原则,具体工程量见清表统计表和土方总量计算表中的工程量(见图:道路-23、道路-24、道路-25、道路-26),道路填方均为级配碎石。
118. 雨污水沟槽挖土方是否可以考虑回填利用?
答:可以考虑回填利用,但需按照相关说明及规范进行回填,位于道路范围同道路回填要求。
119. 雨污水沟槽回填材料是否执行以下的回填方式:管顶上方0.5m以下采用6%石灰土回填,管顶上方0.5m以上同道路回填要求?

答:是。
120. 标志牌杆件,选用以下哪一种杆件尺寸?
答:标志尺寸见图号为道路-29的标志大样图。单柱式方立柱尺寸依设计说明为准,采用Φ600×2×2mm。
121. 圆形污水检查井(模块式)数量有误,平面图中是11个?

答:材料表中污水检测井数量有误,φ900污水井8座,φ1500污水井3座。
122. 位于道路上的雨污水检查井是否需要加固,图纸无加固做法,如需要,请明确做法?
答:无需加固,施工参见皖2015S209。
安装共性问题
123. 太阳能热水系统计入,但电气图纸明确太阳能为二次设计,本次仅预留电源,如何计入?
答:太阳能配电箱及电缆、配管清单不单独列项,与太阳能设备成套供应,投标人自行考虑报价,中标后不予调整。
124. 室外充电桩个规格型号是多少?
答:单相电源,电流32A,落地安装。
125. 电梯控制箱位置在平面图中没有,电源箱DT至控制箱的电缆如何计入?
答:电梯电源箱DT至电梯控制箱电缆不单独列项,计入电梯工程,投标人自行考虑报价,中标后不予调整。
126. 无风机盘管N(w)-6.3 、N(w)-11.2、N(w)-9.0及N(w)-5.0、N(w)-4.0风口及接管尺寸,请补充?
答:N(w)-5.0风口及接管尺寸同N(w)-4.5;N(w)-6.3风口及接管尺寸同N(w)-7.1;N(w)-9.0风口及接管尺寸同N(w)-10.0,散流器尺寸为360*360;N(w)-11.2风口及接管尺寸同N(w)-12.5;N(w)-4.0风口及接管尺寸同N(w)-4.5。
127. 是否所有环绕气流嵌入式风机盘管均自带冷凝水提升泵,高静压内藏风管式风机盘管均自带回风箱?
答:是。
128. 风机盘管至温控器的配管配线型号是多少?
答:配管为JDG20,配线及温控器不单独列项,与风机盘管成套供应,投标人自行考虑报价,中标后不予调整。
129. 图纸中中央空调系统的铜管均未标准管径,如何计入?
答:不同厂家铜管尺寸不同,清单中不单独列项,与盘管及室外机成套供应,投标人自行考虑报价,中标后不予调整。
130. 消防报警图纸中水流指示器及信号阀是否配模块,图纸中未见?
答:水流指示器增加1807B输入模块、信号阀增配1807输入模块。
131. 图纸中未明确各系统阀门材质?
答:给水系统采用不锈钢阀门,消防系统采用球墨铸铁阀门,支路给水阀门材质按图纸。
132. 消防控制室内主机设备是否计入?
答:消防控制室内主机设备设数量已经在系统图中体现,故消防控制室内主机设备计入。消防控制室平面布置图待智能化设计二次设计时确定,进控制室线缆按控制室半周长计入。
133. 能耗管理系统是否计入?
答:未设计,无法计入,不在本次招标范围,由弱电单位二次设计,统一施工。
安装个性问题
1#楼
134. 一层桥架只标注了主桥架的规格型号,分支桥架均未标注,按什么规格计入?
答:1轴线至3轴线处的分支桥架规格为QCT-200x100,在7轴线至8轴线之间主桥架分支到1#楼电气间与2#电气间的分支桥架规格均改为QCT-400x150.
135. 在平面图中未见1ALG第WG5回路,是否为备用回路?
答:为备用回路。
136. 在平面图中未见2~6ALG第WG3回路,是否为备用回路?
答:为备用回路。
137. 在配电系统图中有6ALG箱,但本楼只有5层,是否有误?
答:6ALG箱取消。
138. DT箱至排风机回路在系统图中没有,请明确?
答:DT箱至排风机回路由第一个备用回路引来。
139. 一、四、五层挡烟垂壁在电气图中为电动式,但在暖通图中未描述,且无具体参数(如驱动方式等),请明确?
答:挡烟垂壁为固定式,电气部分取消。
140. 二层应急照明控制器在系统图中有YJ3/YJ4回路,但在平面图中没有,是否为备用回路?三/五层应急照明控制器在系统图中有YJ3/YJ4回路,四层应急照明控制器在系统图中有YJ3回路,但在平面图中没有,是否为备用回路?
答:为备用回路。
141. 2AL出线回路WL5/WL6在系统图中的末端配电箱为N4,在平面图中为N2,是否以平面图为准?
答:以平面为准。
142. 1AL1/1AL2/1AL3配电箱进线电源在1AL1/1AL2/1AL3配电箱系统图中为WDZ-BYJ-5*10-SC40,在1AL系统图中为WDZ-BYJ-3*6-JDG25,以哪个为准?
答:以WDZ-BYJ-5*10-SC40为准。
143. 2RD箱系统图名称为1层弱电机房配电箱,在2层平面图中名称为1RD,是否统一为2RD 2层弱电机房配电箱?
答:统一为2RD。
144. 2RD系统图少柜机插座回路,是否参考XF/JK1层监控或消防配电箱柜机插座回路设置?
答:2RD空调柜机回路参照XF配电箱系统图。
145. ALU 2层UPS配电箱出线缺少柜机插座回路,是否参考XF/JK1层监控或消防配电箱柜机插座回路设置?
答:ALU空调柜机回路参照XF配电箱系统图。
146. ALU 2层UPS配电箱至UPS主机的电缆因UPS主机位置不明,是否本次不计?
答:未设计,无法计入,不在本次招标范围。
147. N1~N4配电箱照明出线回路敷设范在系统图中均为FC/WC,是否应为CC/WC?
答:为CC/WC。
148. 五层会议室照明箱N3在5AL系统图及电力平面图中均没有,是否在5AL箱中增加回路,并在电力平面图中增加相应回路?
答:在干线平面图及配电箱系统图中增加一条配电箱进线干线回路。
149. 3AK箱出线回路WK3的配线是否应与WK1及WK2一致,在平面图中所用设备一致?
答:WK3出线断路器与电线规格参照WK1回路配置。
150. 树状图中电缆型号与配电箱系统中进线电缆型号不一致的以哪个为准?
答:以配电箱系统图进线为准。
151. 2RD进线是否应为WDZ-YJY-4*35+1*16,ALU进线是否应为WDZ-YJY-4*70+1*35?
答:是。
152. 二层屋面X(w)-1-2,V(w)-2-1室外机无供电,请补充?
答:已修改。
153. 未见电气火灾监控及消防电源监控平面图?
答:其线路沿线路在火灾自动报警桥架敷设,少量局部在顶板、墙内暗敷设。
154. 在给水系统图中,接屋面水箱的给水管水表处为倒流防止器,在屋面给水图中为止回阀,以哪个为准?
答:止回阀。
155. 配电房内灭火器型号是多少?
答;MF/ABC5*3
156. 消火栓及喷淋稳压设备的规格型号及参数在水图及电图中均未明确,请补充?
答:稳压泵Q=1L/s H=28m K=2.2kw(一用一备),稳压罐SQL800*0.6。
157. 图纸说明中开水器排水管采用HTPP聚丙烯高温管,但在平面图中开水器排水管接至卫生间排水管上,无单独立管,按什么材质计入?
答:同排水管材质,开水间地漏采用防烫地漏。
158. 喷淋排水的泄水阀规格型号是多少?
答:DN50
159. 屋面不锈钢水箱是否为保温水箱?
答:采用不锈钢保温水箱。
160. 在水图高压细水雾灭火系统主要设备材料表中明确不包括火灾报警控制设备,但在电气图纸的消防火灾报警图纸中也未见相关细水雾报警控制设备,是否不需要?
答:详见补充图纸。
161. 通风图纸中接至外墙的风管设防虫网,是否为防雨百叶,内附防虫网?
答:是。
162. 水图中空调冷凝水立管L(n)-1~3图,暖通图纸中也没有,也没有规格型号,请明确?
答:空调冷凝水立管L(n)-1~3均为DN50,接至室外雨水井。
163. 室外机 V(w)-1-2无参数?
答:见下图。

164. 1#楼消防报警系统中配电房及弱电机房为气体灭火,但在水图中为高压细水雾灭火系统,是否有误?
答:消防报警系统有误,以水图为准。
165. 细水雾报警系统的线缆配管型号是多少?
答:JDG20.
166. 细水雾报警系统个层的控制线缆未与一层主机连接?
答:在平面图中沿最近路径引至电井,再沿桥架引至消控室主机。
167. 配电房设备是否在本次招标范围?
答:配电房安装未设计,配电房设备及进线高压电缆不计。
2#楼
168. 1AL配电箱出线在系统图中有24个至N1的回路,但在一层平面图中有28个N1配电箱,是否下图中的圈出来的四个配电箱为多余的(每个房间有两个)?

答:谈话间外面四个配电箱取消。
169. 1AL配电箱的WL25插座回路引至说明位置,在平面图中未见?
答:此回路作为备用。
170. 洗衣房插座规格型号及安装高度在图纸中未明确?
答:规格及安装高度同卫生间洗脸台插座。
171. 标准间及套间内的床头控制柜的规格型号及安装高度是多少?
答:配置见系统图,规格型号以业主选型为准,安装高度距地1.2米。
172. NB配电箱系统图无照明回路,是否有误?
答:增一路照明回路,做法同NB1。
173. 标准间及套房内的门铃回路在NB系统中为从NB箱引来,在平面图中为从床头控制柜引来,以哪个为准?
答:由床头控制柜引来。
174. 1AK配电箱出线回路在系统图中为23个,在平面图中为24个,是否以平面图为准?
答:以平面图为准。
175. 一层侯梯厅普通照明未与配电箱出线回路连接,是否为WG1回路?
答:由1AG第二个备用回路引来。
176. 1层公共照明在配电箱1AG系统图中走道照明只有一个回路,平面图中有两个回路,是否以平面图为准?
答:其中一路走道照明由1AG第三个备用回路引来。
177. 一层侯梯厅有一个应急照明照明灯,但无电源引入。
答:电源由就近的应急照明灯引来。
178. 1-2轴间谈话休息室热水器插座规格型号及安装高度是多少?
答:热水器插座取消。
179. 留置间
插座规格型号及安装高度是多少?
答复:规格为安全型单相五孔插座220V,10A,吸顶安装。
180. N1/NB配电箱照明出线在系统中为FC,是否应为CC?
答:为CC。
181. 2~6AL在系统图中均无洗衣间照明回路,但平面图中有,是否以平面图为准?
答:以平面为准,在配电箱中增加回路。
182. 水井壁灯的规格型号及安装高度是多少?
答:防水型灯9W,门头上100mm安装。
183. 标准间及套房内壁灯安装高度是多少?
答:距地1600。
184. NB1配电箱在平面图何处,在AL配电箱出线及平面图中只有NB箱
答:套房配电箱改为NB1。
185. NB配电箱系统中进线从楼层空调动力箱引来,型号为WDZ-YJV-3*6,但在2~6AL系统图及平面图中NB箱进线从2~6AL箱引来,型号为WDZ-BYJ-3*4,以哪个为准?
答:2~6ALNB于标准间NB配电箱进线电缆均改为WDZ-BYJ-3*4,套间配电箱NB1进线为WDZ-BYJ-3*6其在相应楼层空调总配电箱出线开关改为SH201-C32/1P。
186. 电梯电源箱DT系统图缺至电梯间排风机电源回路,请补充?
答:DT箱至排风机回路由第一个备用回路引来。
187. 六层平面图电井至APRS的桥架为200*100,是否有误?
答:应为300*100。
188. 未见电气火灾监控及消防电源监控平面图?
答:其线路沿线路在火灾自动报警桥架敷设。
189. 卫生间风管尺寸是否为120*120?
答:是。
190. 太阳能热水管是否全部采用薄壁不锈钢管?
答:是。
3#楼
191. 1-2轴间的楼梯间2层照明在下图此部位未与本楼楼梯间照明回路连接,地库也没有回路引上,是否有误,是否将此部位与本楼楼梯间照明连接?

答:此部位与本楼楼梯间照明连接。
192. 2AL配电箱系统中的3#、4#回路末端配电箱在系统图中为3AL3/3AL4,是否应为2A3L/2AL4?
答:是的。
193. 在二层照明平面图的备注中说明大会议室采用大型疏散指示标志,请明确具体规格?
答:与其他部位灯具相同。
194. 未见电气火灾监控及消防电源监控平面图?
答:其线路沿线路在火灾自动报警桥架敷设,少量局部在顶板、墙内暗敷设。
195. 水图中空调冷凝水立管L(n)-1~3图,暖通图纸中也没有,也没有规格型号,请明确?
答:冷凝立管为DN50,接至室外雨水井。
196. 一层消防报警平面图中的的电磁阀是否计入,如计入,请明确规格型号?
答;只计入模块,电磁阀未设计,无法计入,不在本次招标范围。
197. 此处分别是什么插座,规格型号及安装高度是多少?

答:V为电视插座(单项五孔),高度2米,Z为紫外线灯插座(单项五孔),高度2.8米。
198. 1AK配电箱WK3回路出线是否应为WDZ-BYJ-3*4。
答:是。
地库
199. 地库配电箱系统图中的名称与平面图不一致,如平面图中的01PS5是否就是PS5配电箱系统图中的PS5,平面图中01AL1就是系统中1AL1,像此种情况以哪个名称为准?
答复:系统图中1PS1~1PS4改为01PS1~01PS4、PS5改为01PS5,1AL1/1AL2改为01AL1/01AL2。
200. ALSHB配电箱系统图中出线回路至紫外线消毒器电源回来在平面图中未见,请明确?
答:该回路为备用回路。
201. 请明确紫外线消毒器的规格型号及在平面图中具体位置?
答复:未设计,无法计入,不在本次招标范围。
202. 消防水池液位控制器至消防控制室内消防水池液位显示仪的配管配线型号是多少?
答:控制电缆:WDZN-BYJ-4x1.5-SR/SC20-WE。
203. 灯具图例中地库单管荧光灯在车行道为沿灯槽安装,但在平面图中未见灯槽,是否改为吸顶安装?
答复:吸顶安装。
204. 水图中消防泵房平面图中如下图例是什么?
![]()
答:直读式流量计,为图纸中流量测试装置。
205. 平面图中悬挂式干粉灭火装置用在什么地方?控制及电源管线从何处引来?
答;温感控制,无需引线,每个电气间一个,共3个。
206. 电气图纸中未见配电间排气扇电源,从何处引来?
答:由配电间灯头引来,配电间开关改为双联开关。
207. 地库弱电图纸中的桥架规格型号是多少?
答:RCT-200x100金属线槽。
208. 未见地库防火门监控分机在平面图中的位置?
答:地库防火门线路由于地库相连的各单体建筑楼梯间防火门监控器引来,本系统图中防火门监控分机取消。
209. 各配电箱从配电房引来的进线电缆型号及规格在树状图、系统图、平面图中均不一致,以哪个为准?
答:以配电箱系统图为准。
210. 01PY3配电箱进线在O1PY3系统图中为WDZN-YJY-5*25,在01AP/01APE配电箱系统图中为WDZBN-YJY-5*25+1*16,是否应WDZBN-YJY-4*25+1*16?
答:是。
211. O1PF2配电箱进线从何处引来,在系统图中未明确?
答:从ALXFB备用回路引来.
212. 空气质量检测系统的配管型号是多少?
答:JDG20、
213. 泵房内消防管道是否全部采用镀锌钢管?
答:是。
景观照明、室外给水、室外强弱电
214. 路灯照明箱系统图中有5个回路,但在平面图中有6个照明回路,且名称与系统图不符,请明确?
答:配电箱系统图增加一路照明回路。
215. 请明确室外水表井的具体做法或选用图集?
答:详见05S502。
216. 请明确室外弱电井的具体做法或选用图集页数?
答:弱电井为砖砌,做法详见《智能建筑弱电工程设计与施工》09X700-5-p80~95。
217. 室外给水管管径小于DN100的是否采用钢塑复合管?
答:是。
218. 未见2#楼市政给水管?
答:从加压给水同位置处接一根水管至室外给水管网。
219. 地库喷淋系统水泵接合器在单体图中为SQS150-A,在室外图中为SQS100-A,以哪个为准?
答:SQS150-A。
220. 室外管线埋地时是否做砂垫层?
答:不需要,原土回填、压实度达到设计要求。
221. 缺阀门井具体做法,如采用标准图集,请明确具体页数?
答:采用砖砌式阀门井。安装见图集05S502-15~34。
222. 室外充电桩无参数及安装方式?
答:充电桩为单相电源,电流32A,落地安装。
门卫
223. 门卫弱电是否计入?
答:弱电部分仅计预埋管、盒及信息箱,进线管计至出墙1.5米。
224. 户内弱电管型号是多少?
答:JDG20.
225. 强电进线预埋管是否计至出墙1.5米?
答:是。
支路安装
226. 路灯照明箱进线电缆是否计入?
答:未设计,无法计入,不在本次招标范围,由当地供电部门负责实施。
注:此补疑视同招标文件的组成部分,与招标文件具有同等法律效力。
疫情期间,各市场主体均应当按照《安徽合肥公共资源交易中心疫情防控期间交易服务指南》(官网链接:http://ggzy.hefei.gov.cn/ptdt/001003/20200224/788cc287-e9f2-44de-b9e6-85baf0fb4c36.html)开展公共资源交易活动,谢谢理解、支持。
2020年7月2日
三、附件
答疑发布日期:2020年07月02日