您现在的位置: 首页 >> 答疑变更 >> 安徽公共资源交易集团项目管理有限公司 >> 工程
一、原公告主要信息
原项目名称: 十五里河、南淝河流域等排口溯源管网建设、完善、提升提标(二期)项目-第二批1标段
原项目编号: 2020BFBGZ00787
原公告日期: 2020年05月27日
二、公告内容(更正事项、内容及日期等)
十五里河、南淝河流域等排口溯源管网建设、完善、提升提标(二期)项目-第二批1标段项目招标工程量清单、最高投标限价编制补疑1
项目编号:2020BFBGZ00787-补1
各投标人:
重要提示
1、人工费执行《关于贯彻执行2018版安徽省建设工程计价依据的通知》(合造价【2018】13号文)。其中定额人工费参与取费、取税,其相对于定额人工费增加的部分 / 元只计取税金。
2、本工程取费按“ 市政 工程取费标准”中“道路、排水、桥涵”的费率计取;其中房屋建筑、市政工程中挖或填土石方量大于5000m3的大型土石方工程,其企业管理费率8%、利润率8%,措施项目费率和不可竞争费率按房屋建筑工程或市政工程相应费率乘0.6系数。
按业主要求,现对本项目招标工程量清单、最高投标限价编制作出如下补充:
第一部分:招标需求
一、招标范围:
园林、绿化、室外总体等专业:
(一)小区整治类招标范围
本项目分为1个标段,该项目位于合肥市包河区。包含手表厂生活小区、曙宏新村片区、创景花园、春晖田逸苑小区、金江苑、曙宏南苑、龙图路道路混接、紫竹院、电信小区、经济管理学院、景色家园、绿园小区时尚家园、煤水供应宿舍、仕嘉名苑、水安公司、外贸印刷厂、桐江小区、松湖苑等18处排口溯源管网建设、完善、提升提标工程等。本次招标内容包含土石方工程、道路破复、绿化破复、管道铺设、检查井砌筑、管道清淤、管道修复等设计图纸及答疑范围内的全部内容。
二、暂定项目:
(一)以下项目按照业主要求,以暂定工程量计入分部分项工程量清单,投标人综合考虑报价,标后按实际工程量结算:
1、 管道紫外光修复(暂定量),起闭井盖、强制通风、设备调试、检测设备下井、管道检测,影像判读,设备清洗等所有工作内容,管道内异物清理、管壁冲洗等清理,整体拉入CIPP紫外光固化修复等;
以上列入金江苑单位工程分部分项清单中。
2、 拆除路面(暂定量),小区道路及支路沥青路面面层及基层、垫层,拆除物外运,运距自行考虑;
3、 路床(槽)碾压检验(暂定量),原拆除路面位置碾压,路床压实度大于94%,路床以下路堤压实度≥92%;
4、 混凝土垫层(暂定量),20cm厚C20混凝土垫层;
5、 透层(暂定量),慢裂型乳化沥青PC-2;
6、 封层(暂定量),改性乳化沥青表面处治;
7、 沥青混凝土面层(暂定量),6cmAC-20C型中粒式沥青混凝土;
8、 粘层(暂定量),SBS改性乳化沥青粘层PCR(喷洒型);
9、 沥青混凝土面层(暂定量),4cmAC-13C型细粒式改性沥青混凝土(SBS改性剂4%~6%);
10、 老旧道路衔接(暂定量),1m宽聚脂玻纤布衔接;
11、 挖沟槽土方(暂定量),机械开挖沟槽等;
12、 回填方(暂定量),Ⅱ类及以上满足路基填料要求的素土回填;
13、 回填方(暂定量),位于主干道、小区车行道的管道位置的碎石回填;
14、 余方弃置(暂定量),沟余土方、建筑垃圾、破除垃圾等的外运;
15、 混凝土管道铺设(暂定量),300mmII级钢筋混凝土管铺设,承插式胶圈接口,120°砂石垫层;
16、 混凝土模块式检查井(暂定量),D1100mm混凝土模块雨水检查井;
以上列入曙宏南苑单位工程分部分项清单中。
17、 挖沟槽土方(暂定量),机械开挖沟槽等;
18、 回填方(暂定量),Ⅱ类及以上满足路基填料要求的素土回填;
19、 回填方(暂定量),位于主干道、小区车行道的管道位置的碎石回填;
20、 余方弃置(暂定量),沟余土方、建筑垃圾、破除垃圾等的外运;
21、 混凝土模块式检查井(暂定量),D1100mm混凝土模块雨水检查井;
以上列入龙图路道路混接单位工程分部分项清单中。
22、 管道紫外光修复(暂定量),起闭井盖、强制通风、设备调试、检测设备下井、管道检测,影像判读,设备清洗等所有工作内容,管道内异物清理、管壁冲洗等清理,整体拉入CIPP紫外光固化修复等;
以上列入紫竹院单位工程分部分项清单中。
23、 拆除路面(暂定量),小区水泥混凝土面层及垫层拆除及外运,运距自行考虑;
24、 路床(槽)碾压检验(暂定量),原拆除路面位置碾压,路床压实度大于94%,路床以下路堤压实度≥92%;
25、 混凝土垫层(暂定量),20cm厚C20混凝土垫层;
26、 粘层(暂定量),SBS改性乳化沥青粘层PCR(喷洒型);
27、 水泥混凝土(暂定量),20cm厚C30混凝土(弯拉强度不小于4.5Mpa)
28、 老旧道路衔接(暂定量),1m宽聚脂玻纤布衔接;
29、 挖沟槽土方(暂定量),机械开挖沟槽等;
30、 回填方(暂定量),Ⅱ类及以上满足路基填料要求的素土回填;
31、 回填方(暂定量),位于主干道、小区车行道的管道位置的碎石回填;
32、 余方弃置(暂定量),沟余土方、建筑垃圾、破除垃圾等的外运;
33、 混凝土管道铺设(暂定量),300mmII级钢筋混凝土管铺设,承插式胶圈接口,120°砂石垫层;
以上列入景色家园单位工程分部分项清单中。
34、 拆除路面(暂定量),小区道路及支路沥青路面面层及基层、垫层,拆除物外运,运距自行考虑;
35、 路床(槽)碾压检验(暂定量),原拆除路面位置碾压,路床压实度大于94%,路床以下路堤压实度≥92%;
36、 混凝土垫层(暂定量),20cm厚C20混凝土垫层;
37、 透层(暂定量),慢裂型乳化沥青PC-2;
38、 封层(暂定量),改性乳化沥青表面处治;
39、 沥青混凝土面层(暂定量),6cmAC-20C型中粒式沥青混凝土;
40、 粘层(暂定量),SBS改性乳化沥青粘层PCR(喷洒型);
41、 沥青混凝土面层(暂定量),4cmAC-13C型细粒式改性沥青混凝土(SBS改性剂4%~6%);
42、 老旧道路衔接(暂定量),1m宽聚脂玻纤布衔接;
43、 挖沟槽土方(暂定量),机械开挖沟槽等;
44、 回填方(暂定量),Ⅱ类及以上满足路基填料要求的素土回填;
45、 回填方(暂定量),位于主干道、小区车行道的管道位置的碎石回填;
46、 余方弃置(暂定量),沟余土方、建筑垃圾、破除垃圾等的外运;
47、 混凝土管道铺设(暂定量),300mmII级钢筋混凝土管铺设,承插式胶圈接口,120°砂石垫层;
以上列入水安公司单位工程分部分项清单中。
48、 管道紫外光修复(暂定量),起闭井盖、强制通风、设备调试、检测设备下井、管道检测,影像判读,设备清洗等所有工作内容,管道内异物清理、管壁冲洗等清理,整体拉入CIPP紫外光固化修复等;
以上列入松湖苑单位工程分部分项清单中。
49、 混凝土管道铺设(暂定量),300mmII级钢筋混凝土管铺设,承插式胶圈接口,120°砂石垫层;
50、 混凝土模块式检查井(暂定量),D1100mm混凝土模块雨水检查井;
以上列入暂定工程单位工程分部分项清单中。
(二)以下项目按照业主要求,暂列金额为 0 万元,计入 / 单位工程,投标人应按招标人所列的金额计入投标总价。
(三)执行暂估价的材料、设备、专业工程及其金额如下:
1、材料的名称、规格型号、金额:无;
2、设备的名称、规格型号、金额:无;
3、专业工程名称、工程内容、金额:无;
上述明细投标人应按招标人所列的金额计入投标总价。
4、发包人供应材料、工程设备的采购、保管费,控制价中不再另行计取费用,投标人在总报价中综合考虑此费用。
三、按项列入清单的内容,标后不予调整:
以下项目按照业主要求,按项计入,投标人自行踏勘现场,综合考虑报价,中标后不予调整。
1、检查井拆除费用按可竞争性项列入金江苑单位工程清单中,包含图纸中明确的本小区原有检查井废弃拆除,建筑垃圾外、回填等费用,投标人需自行勘察现场综合报价,中标后不予调整。本项控制价按照单项6500元列入金江苑单位工程工程量清单中;
2、雨水口拆除费用按可竞争性项列入曙宏新村片区单位工程清单中,包含图纸中明确的本小区原有雨水口废弃拆除,建筑垃圾外、回填等费用,投标人需自行勘察现场综合报价,中标后不予调整。本项控制价按照单项4500元列入曙宏新村片区单位工程工程量清单中;
3、乔木保护费用按可竞争性项列入绿园小区单位工程清单中,包含图纸中明确的本小区管线及检查井施工范围内的乔木保护费用,投标人需自行勘察现场综合报价,中标后不予调整。本项控制价按照单项1500元列入绿园小区单位工程工程量清单中;
4、乔木保护费用按可竞争性项列入仕嘉名苑单位工程清单中,包含图纸中明确的本小区管线及检查井施工范围内的乔木保护费用,投标人需自行勘察现场综合报价,中标后不予调整。本项控制价按照单项1500元列入仕嘉名苑单位工程工程量清单中;
现状管线保护费用按可竞争性项计入工程量清单中,投标人自行踏勘现场,综合考虑报价,中标后不予调整。本项控制价按照单项15000元列入手表厂生活小区、创景花园、春晖田逸苑、紫竹院、金江苑、经济管理学院、景色家园、时尚家园、煤水供应宿舍、仕嘉名苑、水安公司、外贸印刷厂、桐江小区、曙宏新村片区、曙宏南苑、龙图路道路混接、松湖苑等16个单位工程工程量清单中;
四、补充图纸及修改图纸的说明:
详见图纸目录以及本工程在第一次发放图纸后所有补充图纸
五、总承包服务费:详见招标文件
六、温馨提示:投标人投标报价还须仔细阅读本项目招标文件,慎重报价。
第二部分:设计文件及技术补充说明
一、共性问题
1、请问本项目弃土运距如何考虑?
答:因本项目涉及修整小区较多,弃土运距不一,由投标人综合考虑,中标后不予调整。
2、请明确绿化带破复方案。
答:绿化带破复按现状破除恢复,主要针对灌木、地被植物等,种植土原状利用,养护期三个月,二级养护。
3、请明确路缘石做法。

答:按现状破除恢复,做法:(1)结合层:20mm厚1:2.5水泥砂浆结合层;(2)材料品种、规格:市政道路采用花岗岩路沿石,小区采用混凝土路沿石;(3)C15 商品砼垫层。
4、请明确停车位破复做法。
答:按现状破除恢复,150厚C30混凝土植草地坪,陪双向14@150钢筋网片(距底面50),20-30厚砂找平层,300厚级配砂石,100厚碎石碾压,路基碾压,压实系数>0.93。
5、塑胶跑道破复做法
答:按现状破除恢复,挖土方、平整夯实—300mm厚;碎石垫层—150mm厚;6%水泥石粉稳定碎石层—50mm厚;粗粒沥青砼层—40mm厚;细粒沥青砼层—30mm厚;13mm厚混合型塑胶跑道;。
5、市政水泥路面钢筋网片布置是否按8@150双层双向布置
答:是。
6、请明确顶管工作井和接收井、建议水封井的做法材质规格尺寸等信息。
答:工作井和接收井材质规模尺寸见设计大样图;水封井采用砖砌结构,规格为ZS-1型,尺寸详见图集04S519小型排水构筑物38页。
7、请明确围墙破复工程具体实施方案。
答:围墙破复按现状破除恢复,围墙墙体材料采用:砖:MU15实心砖;砂浆:M7.5水泥砂浆。构造柱混凝土:C25;钢筋:一级钢(φ);垫层:C15素砼。
8、请明确雨水边沟材质及做法。

答:雨水边沟采用砖砌结构,做法详见图集02j331第8.9页。
9、请明确数量表中弯头用于何处,何种材质及规格。
答:用于排水立管,UPVC管材。根据立管规模,为100或150。
10、请明确围墙外墙面抹灰及饰面做法。
答:抹灰:25厚1:2.5水泥砂浆;饰面:外刷米灰色真石漆。
11、隔油池具体做法请明确。
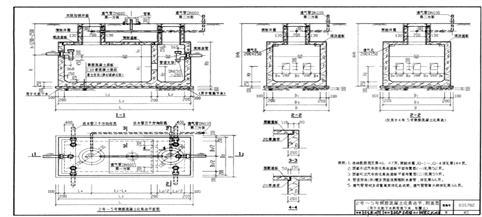
答:如下图

12、化粪池具体做法请明确。
答:详见下图


7、水封井具体做法请明确。
答:如下图


8、大样图中管沟回填全部采用级配碎石回填,而图纸说明中要求在挖沟槽回填时,还需要中粗砂回填且回填至管顶标高500以上,请明确以何为准?

答:管道基础顶至管顶以上50cm处采用碎石回填,以上部分采用素土回填。
二、个性问题
1、请明确污水提升泵井中泄压井做法,且电信小区CAD图中无此工程量,是否计入?

答:不计入。
2、经济管理学院工程数量表中有D600管道,而CAD图纸中仅D500管道,请问以何为准?
答:以图纸为准。
3、请明确管道修复做法。
答:管道修复按照紫外光修复考虑
4、请明确电信小区现状雨水沟渠破复做法。
答:恢复做法:砖砌沟渠0.5m*0.5m,240mm砖砌
5、请明确桐江小区箱涵破复做法。
答:不计入
6、曙宏新村片区顶管尺寸请明确
答:III级钢筋混凝土管,DN800。
7、曙宏新村顶管工作井和接收井高度不明确,请明确
答:均为3.6m
三、附件
答疑发布日期:2020年05月27日